Пуансон R1 P.130.85.R08.805s
Реклама Рекомендуем предложения
Детальное описание
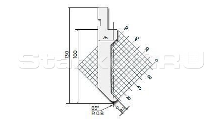
Н (высота), 130. Радиус гиба, 0.8. Градус гиба, 85. Тоннаж, 700. Материал, C45:560-710 N/mm².
| Технические характеристики пуансона R1 P.130.85.R08.805s |
|
| Длина пуансона, мм | 805 сегментный |
| H, мм | 130 |
| Градус гиба | 85 |
| Радиус гиба | 0,8 |
| Тоннаж | 700 |
| Материал | C45:560-710 N/mm² |
| Вес, кг | 13,2 |
Похожие товары
Каталог
Компания
Станкофф.RU
420127, Россия, Татарстан, Казань, ул. Фатыха Амирхана, 42а
+7 (800) 5555770
Социальные группы



