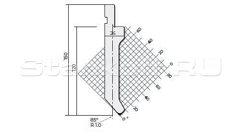
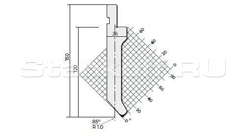
Пуансон P.150.85.R1.805s
Реклама Рекомендуем предложения
Детальное описание
Н (высота), 150. Радиус гиба, 1. Градус гиба, 85. Тоннаж, 700. Материал, C45:560-710 N/mm².
| Технические характеристики пуансона P.150.85.R1.805s |
|
| Длина пуансона, мм | 805 сегментный |
| H, мм | 150 |
| Градус гиба | 85 |
| Радиус гиба | 1 |
| Тоннаж | 700 |
| Материал | C45:560-710 N/mm² |
| Вес, кг | 16,9 |
Похожие товары
Каталог
Компания
Станкофф.RU
420127, Россия, Татарстан, Казань, ул. Фатыха Амирхана, 42а
+7 (800) 5555770
Социальные группы



