Комплект фрез для профилирования стояков и перемычек дверных полотен (03.388.00)
Реклама Рекомендуем предложения
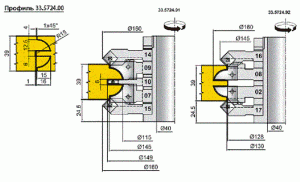
Детальное описание



| Назначение фрезы | Обозначение фрезы |
D мм |
d мм |
B мм |
Ножи | ||||
| Z | V | ||||||||
| Обознач. | Кол. | Обознач. | Кол. | ||||||
| Профиль калевки верхний | 03.388.09 | 166 | 32 | 24 | 03.388.09.02 | 3 | - | - | |
| Профиль калёвки верхний | 03.388.59 | 166 | 32 | 24 | 03.388.09.01 | 3 | |||
| Паз под филенку 5..9 мм | 03.382.10 | 160 | 32 | 5-9 | TS4.5 | 3+3 | TS14.12 | 3+3 | |
| Паз под филенку 10..15 мм | 03.01.10 | 164 | 32 | 10 | TS7.5 | 3+3 | TS14.20 | 3+3 | |
| Профиль калевки нижний | 03.388.07 | 166 | 32 | 24 | 03.388.07.02 | 3 | - | - | |
| Профиль калёвки нижний | 03.388.57 | 166 | 32 | 24 | 03.388.07.01 | 3 | |||
| Контрпрофиль верхний | 03.388.08 | 222 | 32 | 20 | 03.01.08.01 | 3 | TS14.12 | 3 | |
| Контрпрофиль нижний | 03.388.02 | 222 | 32 | 20 | 03.01.02.01 | 3 | TS14.12 | 3 | |
Примечание:
Изменение ширины паза возможно за счёт соответствующего изменением толщины полотна.
Похожие товары
Каталог
Компания
Станкофф.RU
420127, Россия, Татарстан, Казань, ул. Фатыха Амирхана, 42а
+7 (800) 5555770
Социальные группы



