Гидромолот для экскаватора-погрузчика и экскаватора Б/У - Продам в Красноярске
Россия, Красноярский край, Красноярск, ул. Мечникова, 54
Детальное описание
Создан для эффективной работы на экскаваторах-погрузчиках и полноповоротных экскаваторах массой 5–10 тонн.
Почему HB 80 — это выгодное решение?
- Мощнее: Увеличенная энергия удара при меньшем собственном весе (всего 385 кг).
- Надежнее: Прочный закрытый корпус и конструкция БЕЗ стяжных шпилек повышают долговечность и упрощают обслуживание.
- Удобнее: Облегченный корпус и возможность подворота в транспортное положение делают работу комфортнее.
- Безопаснее: Встроенный предохранительный клапан защищает оборудование от перегрузок.
Ключевые преимущества:
Подворот оборудования в транспортное положение
Облегченный и прочный закрытый корпус
Конструкция без стяжных шпилек — проще сервис!
Встроенный предохранительный клапан
Выше энергия удара, чем у HB 70
Сниженный вес для оптимальной работы на технике до 10 т
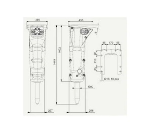
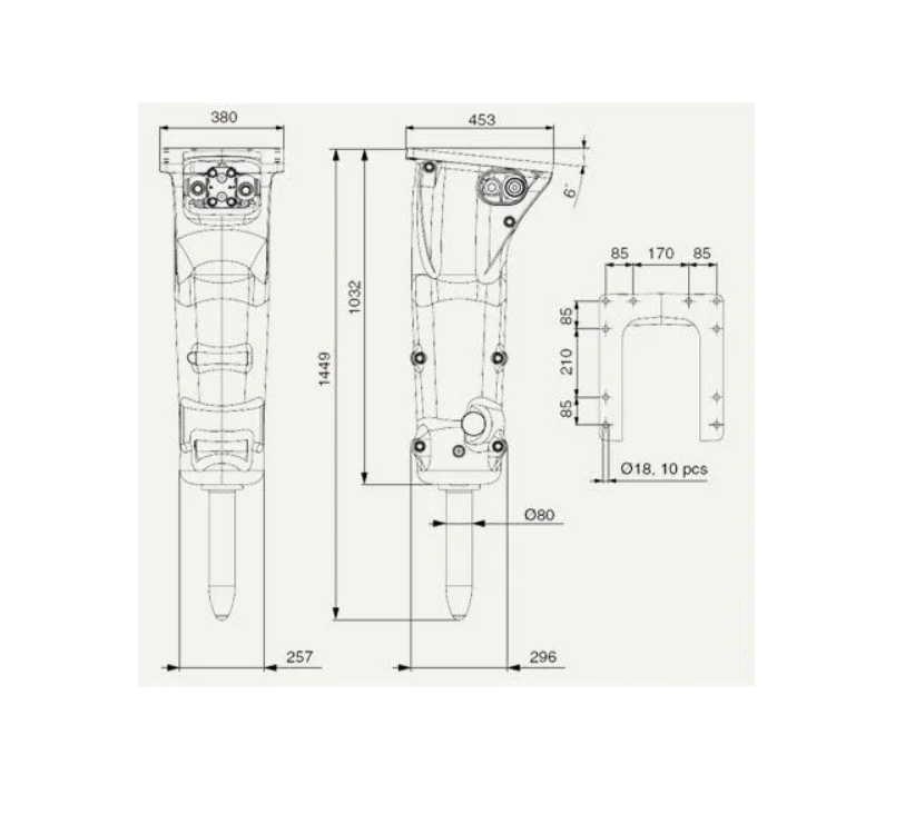
Основные характеристики :
- Рабочий вес: 385 кг
- Рекомендуемый носитель: 5–9 тонн
- Энергия удара: выше, чем у HB 70
- Частота ударов: 500–1700 уд/мин
- Рабочее давление: 90–140 бар
- Расход масла: 40–120 л/мин
- Уровень шума: 85 дБ (на расстоянии 16–22 м)
Полные технические характеристики:
- Диаметр инструмента: 80 мм
- Макс. давление (не более): 220 бар
- Давление в сливе (не более): 20 бар
- Мощность: 28 кВт
- Температура масла (опт./разреш.): +40…+60 °C / -20…+80 °C
- Вязкость масла (опт./разреш.): 30–60 сСт / 20–1000 сСт
Гидромолот сохранил все лучшие черты предшественника, став при этом более производительным и удобным в обслуживании.
Условия:
- Любая удобная форма оплаты (нал/безнал).
- Организуем доставку в любой регион России.
Любая форма оплаты Отгружаем в регионы Интекман
Создано 10.10.2025 Изменено 22.04.2026








https://t.me/Intekman