Поворотный механизм (с чертежом) - Продам в Запорожье
ЧП «Современные технологии LTD»
Украина, Запорожская обл., Запорожье, пр-т Сталеваров
Детальное описание
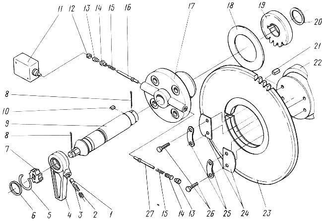
Поворотный механизм (с чертежом)
| Номер позиции | Обозначение | количество | |
|---|---|---|---|
| 2ВМ10-63/9 | 4ВМ10-120/9 | ||
| - | Рукоятка в сборе71-9Б-1 | 1 | 1 |
| 1 | Фиксатор 71-9Б-1-4 | 1 | 1 |
| 2 | Пробка СТП 0503-31-74 М12.66.05 | 1 | 1 |
| 3 | Пружина 71-9Б-1-5 | 1 | 1 |
| 4 | Корпус 71-9Б-1-1 | 1 | 1 |
| 5 | Кольцо 71-9Б-1-3 | 1 | 1 |
| 6 | Шайба 71-9Б-0 | 1 | 1 |
| 7 | Звездочка 71-9Б-1-2 | 1 | 1 |
| 8 | Шплинт 4х36.05 | 2 | 2 |
| 9 | Валик СТП 0584-24-83 | 1 | 1 |
| 10 | Шпонка СТП 0503-22-73 6х6х20 | 1 | 1 |
| 11 | Выключатель ВПК 1110 | 1 | 1 |
| 12 | Толкатель 71-9А-0-17 | 1 | 1 |
| 13 | Гайка стопора 71-9-0-8 | 2 | 2 |
| 14 | Гайка 71-9-0-7 | 2 | 2 |
| 15 | Пружина 71-9-0-9 | 2 | 2 |
| 16 | Стопор 71-9-0-5 | 1 | 1 |
| 17 | Стакан 71-9Б-0-1 | 1 | 1 |
| 18 | Прокладка 71-9-0-12 | 1 | 1 |
| 19 | Зубчатое колесо 71-9А-0-3 | 1 | 1 |
| 20 | Шайба 30.02.05 СТП 0503-23-73 | 1 | 1 |
| 21 | Шпонка 71-9-0-13 28х15х13 | 1 | 1 |
| 22 | Вал коленчатый 70-1-0-1А | 1 | - |
| 23 | Вал коленчатый 85-1-0-1 | - | 1 |
| 24 | Зубчатое колесо 71-9-0-4 | 1 | 1 |
| 25 | Планка 71-9А-0-15 | 2 | 2 |
| 26 | Шайба 71-9А-0-16 | 2 | 2 |
| 27 | Болт СТП 0503-5 | 4 | 4 |
| 28 | Стопор 71-9-0-6 | 1 | 1 |
Создано 01.12.2017 Изменено 20.04.2026
