Готовая линия комплекс переработки пэт отходов - Продам в Подольске
Детальное описание
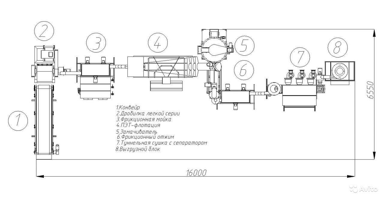
Готовый комплекс, для тех кто хочет без всяких заморочек приехать и купить готовое решение. Линия производит до 400 кг/ч, количество воды в линии 4,5 м3 (вода оборотная, частота замены зависит от кол-ва и типа загрязнений). В состав входит:
1. Ленточный конвеер 1,5 кВт
2. Дробилка роторная 900 мм, 37 кВт, ножи ласточка (6+4)
3. Горячая фрикционная мойка с баком
4. Ванна флотации для отделения инородных соединений от ПЭТ
5. Установка замачивания ПЭТ-флекса
6. Фрикционный отжим
7. Сушка воздушная для твердых пластмасс
8. Выгрузной блок
Срок изготовления данной линии 30 дней с момента оплаты.
Цена может меняться в зависимости от добавления или удаления каких-либо модулей линии.
Создано 14.10.2019 Изменено 02.12.2024

