чертежи для изготовления запчастей и блоков к узлам буровых установок (печатный и электронный вид) Б/У - Продам в Екатеринбурге
Детальное описание
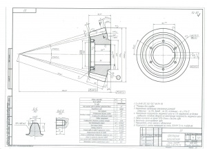
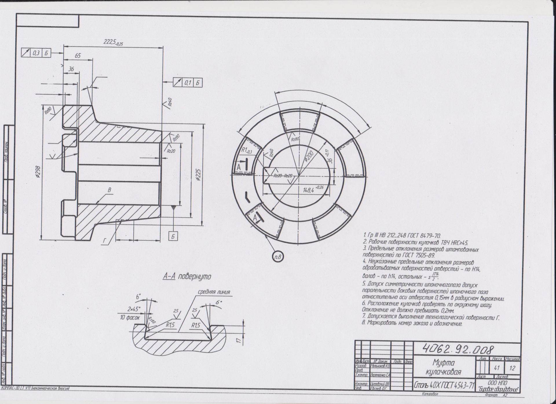
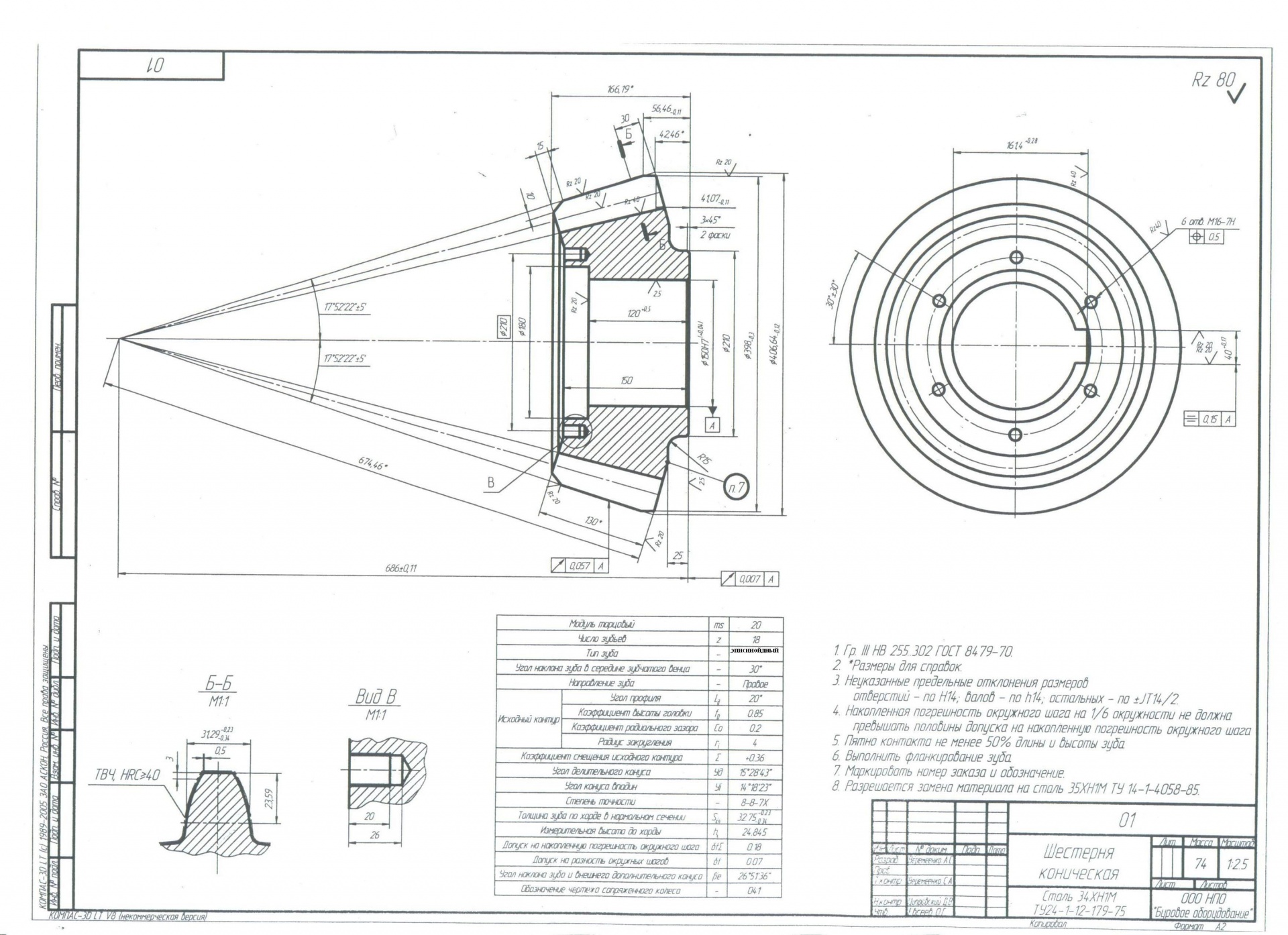
Буровой насос УНБТ 1180LiБуровой насос УНБТ 1180Li Насос буровой УНБТ-950 Серия 44 ЛВ-44 Тормоз гидродинамический УТГ-1450 Ротор Р-700 Ротор Р-560 Коробка передач КПЗ-900Д УТБ-5-150 14007.89.160 Ограждение 14007.44.400 Трансмиссия ротора 14040.92.120 4062.92.000 Вал 14020.92.050СБ Трансмиссия 5ой скорости Вал подъемный 14007.78.000СБ ЛБУ 1200 Крюкоблок 5-250 Ограждение лебедки 14020.87.100 Клапан предохранительный КП 50-400 Кронблок 6-270 УКБ 6-325 УК-225 14007.89.250 Пульт бурильщика 40.76.511 Редуктор специальный 4062.38.900 У Н Б Т- 950 L2 У Н Б Т - 600 14076.53.035СБ Вал трансмиссионный КРЮК УК-225 14007.89.250СБ Лебедка-моноблок 14044.90.000 БЛОК ТАЛЕВЫЙ УТБ-5-250 14007.89.160сб Редуктор специальный РЦС-2,04-К-У2 Вал трансмиссионный 3000БД 4071.79.020 и другие 11 000 чертежей( в электронном виде КОМПАС 3D) цена договорная (10 руб за лист) оптом - скидка |
Создано 31.01.2020 Изменено 25.02.2023





