Запчасти к токарно-винторезным станкам 1М63 - Продам
Детальное описание
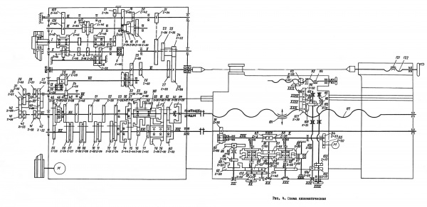
| 1м63.02.341 1м63.02.156 1М63Н.20.900 | Вал №1 Фрикционный вал |
| 1м63.02.398 1М63.02.120РСБ | Вал №2 |
| 1м63.02.340 1М63.02.130РСБ | Вал №3 |
| 1М63.02.354 1М63.02.140РСБ | Вал №4 |
| 1м63.02.191 1М63.02.150РСБ | Вал №5 |
| 1М63.02.319 | Вал №6 Шпиндель |
| 1М63.02.346 1М63.02.170РСБ | Вал №7 |
Создано 23.12.2020 Изменено 04.02.2025
Похожие объявления
Запчасти для токарно-винторезного станка 1М63, 163, ДИП 300
Состояние: Новый
В наличии
Энгельс (Россия)

