Автоматы продольного точения c ЧПУ TSUGAMI BO 205E Б/У - Продам в Berlin
Казахстан, Алма-Атинская обл., Алматы, ул. Политехническая, 2 офис 303
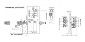
Детальное описание
Производительность
Диаметр обработки в главном шпинделе
от 3 мм до 20 мм
Макс. диаметр обработки в противошпинделе
20 мм
Макс. длина обработки
210 мм
Макс. диаметр сверления/резьбонарезания в главном шпинделе
Ø 10 мм / М10
Макс. диаметр сверления/резьбонарезания в противошпинделе
Ø 8 мм / М8
Макс. диаметр радиального сверления/резьбонарезания
Ø 6 мм / М5 (опция)
Макс. диаметр торцевой фрезы
Ø30 мм (опция)
Частота вращения
Частота вращения главного шпинделя
от 200 до 10 000 об/мин.
Частота вращения приводного инструмента
от 200 до 8 000 об/мин. (опция)
Частота вращения противошпинделя
от 200 до 12 000 об/мин.
Инструмент
Общее число позиций инструмента
21
Кол-во инструментальных позиций для наружной обработки в главном шпинделе
9 (6+3) шт.
Размер резцедержателя
12 х 12 х 85 мм
Кол-во инструментальных позиций для осевого
инструмента Ø 20
4 шт. (фикс.)– главн.шпиндель
4 шт. (фикс.)– противошпиндель
Кол-во инструментальных позиций для осевого
инструмента противошпинделя Ø 20
4 шт. (фикс.)
Мощности двигателей
Мощность двигателя главного шпинделя, пост./30мин.
2,2 / 3,7 кВт
Мощность двигателя противошпинделя, пост./30мин.
1,5 / 2,2 кВт
Мощность двигателя приводного инструмента
0,75 кВт
Мощность двигателя насоса системы подачи СОЖ
0,25 кВт
Мощность двигателя насоса подачи смазки направляющих
3 Вт
Создано 20.01.2021 Изменено 26.04.2026








