Шестерня 2-й оси 1К62Д.020.064 (z-21, m-2,25) - Продам в Челябинске
Россия, Челябинская обл., Челябинск, ул. Кулибина, 5, офис 506
Детальное описание
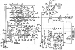
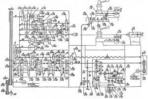
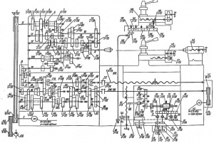
ООО "ПромЗапчасть" занимается производством и поставкой запасных частей для станков.Станки токарно-винторезные моделей 1К62Д, 1К62ДГ, 1К625Д, 1К625ДГ предназначены для выполнения разнообразных токарных работ, в том числе для нарезания резьб: метрической, дюймовой, модульной, питчевой и архимедовой спирали с шагом 3/8", 7/16", 8, 10 и 12 мм. Класс точности Н по ГОСТ 8. Условия эксплуатации УХЛ4, ТС4, ТВ4 по ГОСТ15150 в зависимости от заказ-наряда. Базовая модель серии - универсальный токарно-винторезный станок 1К62Д, который является усовершенствованным прототипом хорошо зарекомендовавшего себя во многих странах мира станка 1К62, выпускавшегося ранее заводом "Красный пролетарий".
Запчасти в наличии и под заказ. Собственное производство с соблюдением ГОСТов и нормативов.
Доставка в любой регион! Гарантия производителя.
Доставка до ТК Бесплатно!
Создано 09.03.2021 Изменено 05.12.2025
