Кольцо 16К20.020 - Продам в Челябинске
Производитель
ООО "ПромЗапчасть" (Россия) Цена договорная
В наличии
Челябинск (Россия)
Состояние: Новый
Контакты
Россия, Челябинская обл., Челябинск, ул. Кулибина, 5, офис 506
Детальное описание
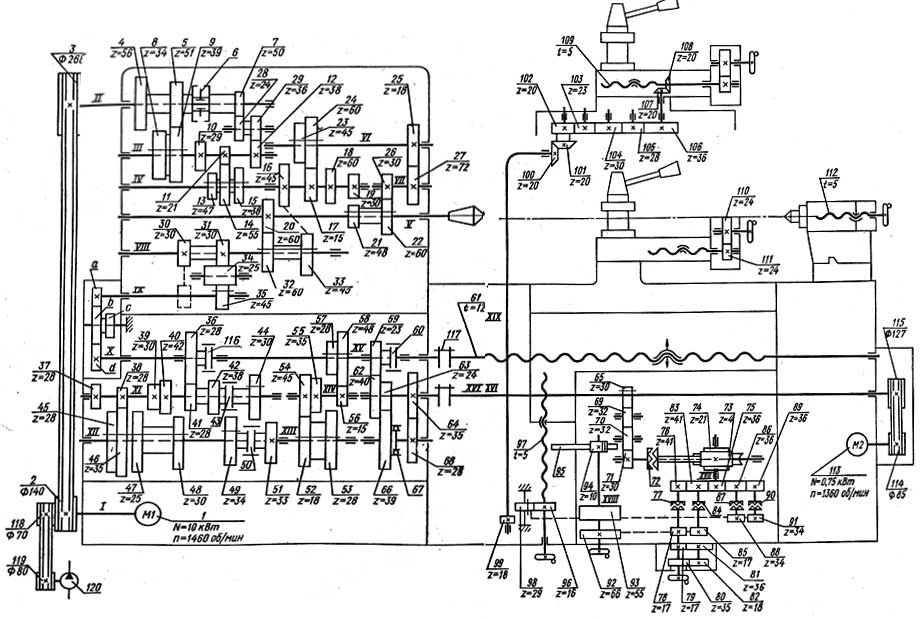
ООО "ПромЗапчасть" занимается производством и поставкой запасных частей для станков. На нашем предприятии Вы всегда сможете приобрести запчасти к токарно-винторезному станку 16к20 производства «Красный пролетарий».
Запчасти в наличии и под заказ. Собственное производство с соблюдением ГОСТов и нормативов.
Доставка в любой регион! Гарантия производителя.
Доставка до ТК Бесплатно!
Создано 11.03.2021 Изменено 05.12.2025
Похожие объявления
Шпиндель 16К20.020.401 Суппорт 16К20.040.000 Резцедержатель 16К20.041.001 Рейка 16К20.011.432 Гайка маточная 16Б20П.061.202
Состояние: Новый Производитель: Россия
В наличии
Челябинск (Россия)
Передняя бабка 16К20.020.001 в сборе (Шпиндельная бабка, Коробка скоростей)
Состояние: Новый
В наличии
Челябинск (Россия)
Вал фрикционный в сборе 16К20.020.402 (фрикционная муфта)
Состояние: Новый
В наличии
Челябинск (Россия)
