Лента тормозная 16К20.020.550 - Продам в Челябинске
Производитель
ООО "ПромЗапчасть" (Россия) Цена договорная
В наличии
Челябинск (Россия)
Состояние: Новый
Контакты
Россия, Челябинская обл., Челябинск, ул. Кулибина, 5, офис 506
Детальное описание
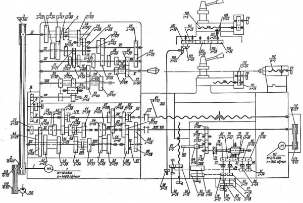
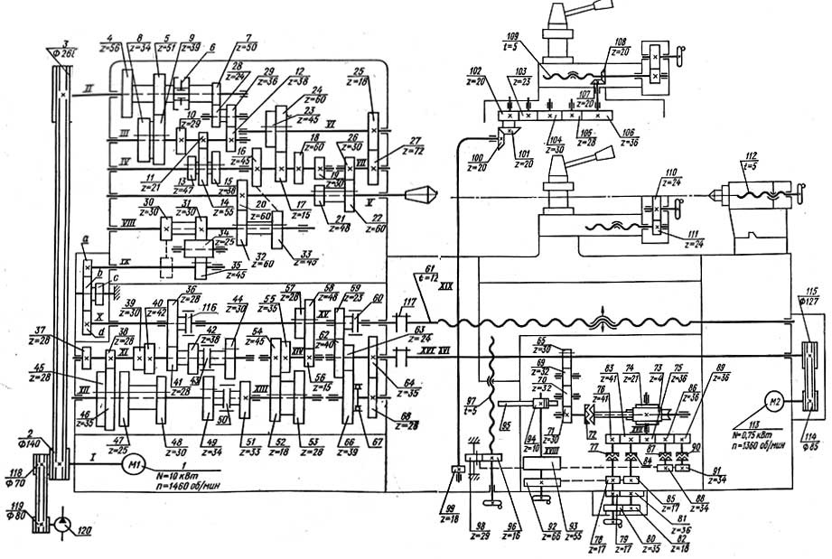
ООО "ПромЗапчасть" занимается производством и поставкой запасных частей для станков. На нашем предприятии Вы всегда сможете приобрести запчасти к токарно-винторезному станку 16к20 производства «Красный пролетарий».
Запчасти в наличии и под заказ. Собственное производство с соблюдением ГОСТов и нормативов.
Доставка в любой регион! Гарантия производителя.
Доставка до ТК Бесплатно!
Создано 11.03.2021 Изменено 05.12.2025
Похожие объявления
Лента тормозная 1К62, ТС-30, лента тормозная 1К62Д, 1К625Д, ТС-70, лента тормозная 16К20, тормозная лента 16К25
Состояние: Новый
В наличии
Челябинск (Россия)
2 000
Лента тормозная 1К62, 1К62-02-213, 16К20, 1К62Д, 1В62Г, 16В20 от производителя
Состояние: Новый Производитель: ООО «СMК» (Россия)
В наличии
Москва (Россия)
Шпиндель 16К20.020.401 Суппорт 16К20.040.000 Резцедержатель 16К20.041.001 Рейка 16К20.011.432 Гайка маточная 16Б20П.061.202
Состояние: Новый Производитель: Россия
В наличии
Челябинск (Россия)
Лента тормозная 1К62Д.020.270
Состояние: Новый Производитель: ООО "ПромЗапчасть" (Россия)
В наличии
Челябинск (Россия)
Лента тормозная на токарное оборудование
Состояние: Новый Производитель: Россия
В наличии
Ростов-на-Дону (Россия)
Лента тормозная, вилка карболит для токарно-винторезных станков мод. 16К20, 1К62
Состояние: Новый Производитель: мз Станкосервис (Россия)
Москва (Россия)
Передняя бабка 16К20.020.001 в сборе (Шпиндельная бабка, Коробка скоростей)
Состояние: Новый
В наличии
Челябинск (Россия)
Вал фрикционный в сборе 16К20.020.402 (фрикционная муфта)
Состояние: Новый
В наличии
Челябинск (Россия)
