Шкив 163.02.023 - Продам в Челябинске
Россия, Челябинская обл., Челябинск, ул. Кулибина, 5, офис 506
Детальное описание
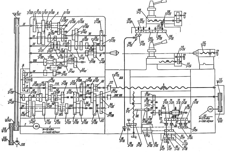
Токарно-винторезные станки 1М63, 163 серии одни из самых распространённых на территории бывшего СССР, предназначен для обработки деталей средних и больших размеров, в условиях единичного и мелкосерийного производства. На станке можно производить наружное и внутреннее точение, включая точение конусов, растачивание, сверление и нарезание резьб (метрической, модульной, дюймовой и питчевой).
Наше предприятие предлагает запасные части станка 1М63, изготовленные на собственном производстве с соблюдением всех ГОСТов и нормативов. Гарантия, паспорт на изделие.
Работаем по всей России. Сотрудничаем со всеми транспортными компаниями.
Доставка до ТК бесплатно!
Создано 14.03.2021 Изменено 05.12.2025
