Насос П-25 - Продам в Челябинске
Россия, Челябинская обл., Челябинск, ул. Стахановцев, 112-33. Эл.почта: Intero74@mail.ru
Детальное описание
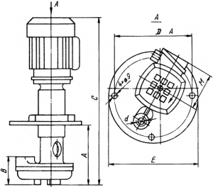
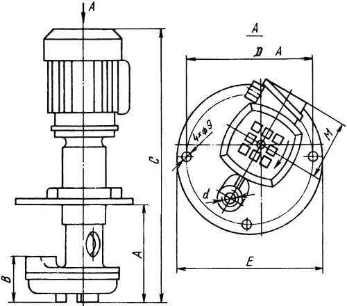
Насос П-25 – вертикальная гидравлическая погружная станочная помпа. Применение – для подачи СОЖ в системы металлообрабатывающих станков. Рабочая жидкость – минеральное масло без примесей, вязкость – 1-90 сСт, температура – 10-50 ºС. Материал проточной части центробежного П-25М – чугун. Аналоги электронасоса П25 – ПА-22, П-25М, ПА-25, НГ 1-25. Вращение – правое, по часовой стрелке со стороны привода.
Принцип работы
Описание принципа работы насоса П-25: рабочая среда перемещается при ращении вала двигателя, обтекая крыльчатки. Через профильный канал крышки насоса П-25 жидкость поступает в гидросистему через нагнетательное отверстие в стойке. Сетка на всасывающем отверстии крышки фильтрует твердые частицы.
Руководство по эксплуатации
Инструкции и противопоказания по монтажу, подключению, регулировке, эксплуатации из паспорта эмульсионного электронасоса для подачи СОЖ П-25М: Перед началом работы заземлить электронасос Монтируется только вертикально Глубина поргужения регулируется за счет мобильного фланца Не допускается попадание стружки и эмульсии на наружные поверхности Обязательно наличие пускозащитной электроаппаратуры, соответствующей параметрам электродвигателя Маслобак должен быть герметичным, иметь отстойник
Электронасос или помпа станочная П-25(М), П-32(М), П-50(М), П-100(М), П-125(М), П-200(М) - центробежные вертикальные электронасосы предназначены для подачи СОЖ, производительностью 25л/мин, 32л/мин, 50л/мин, 100л/мин, 125л/мин, 200л/мин.
Для смазки, охлаждения, а также для предохранения от преждевременного износа режущего инструмента в различных станках применяются центробежные электронасосы типа П-25М, П-32М, П-50М, П-100М, П-125М, П-200М, как и их аналоги НГ-1-25, НГ-1-32, НГ-2-50, иначе—помпы.
Электронасосы типа П-25М, П32М, П-50М, П-100М, П-200М могут также применяться для подачи минеральных масел вязкостью от 1 до 90 сСт, с температурой от 10С до 50С при этом концентрация механических примесей должна быть не более 5 г/л, с размером частиц не более 0,5 мм.
Данный тип насосов относится к моноблочным центробежным электронасосам (полупогружным одноступенчатым).
Принцип действия электронасоса (помпы) состоит в следующем: при вращении вала э/двигателя рабочая жидкость перемещается путём обтекания лопастей крыльчатки, далее через профильный канал крышки насоса она поступает в систему через нагнетательное отверстие в стойке.
Для предохранения от механических примесей на всасывающем отверстии крышки насоса установлена сетка.
Основные технические параметры помпы П-25М, П-32М, П-50М, П-100М, П-200М
Наименование | Насос-помпа П-25(М) | Насос-помпа П-32(М) | Насос-помпа П-50(М) | Насос-помпа П-100(М) | Насос-помпа П-200(М) |
Объём подаваемой жидкости, л/мин | 25 | 32 | 50 | 100 | 200 |
Давление нагнетания, кг/см² | 0,4 | 0,4 | 0,4 | 0,63 | 0,8 |
Глубина погружения погружной части помпы, мм | 80-200 | 80-200 | 80-200 | 100-300 | 100-300 |
Диаметр трубопровода (резьба трубная) | G 1/2 " A | G 3/4 " A | G 3/4 " A | G 1 " A | G 1 1/4 " A |
Типы рабочей жидкости | СОЖ, масло | ||||
Вязкость жидкости не более, сСт | 90 | ||||
Загрязнённость жидкости не более, г/л | 5 | ||||
Вес насоса-помпы не более, кг | 5,9 | 5,9 | 5,9 | 12 | 12 |
Параметры электродвигателя | |||||
Мощность электродвигателя, кВт | 0,125 | 0,15 | 0,15 | 0,55 | 0,75 |
Частота вращения вала двигателя, об/мин | 2800-3000 | ||||
Напряжение питания, В | 380 | ||||
Габаритные и присоединительные размеры насосов П-25М, П-32М, П-50М, П-100М, П-200М
![]() |
|
Создано 20.04.2022 Изменено 07.04.2026



Эл. почта: Intero74@mail.ru