Угловысечной пресс СПК-Фасад 2тн с ножным приводом - Продам в Челябинске
Станкопромышленная компания, ООО
Россия, Челябинская обл., Челябинск, Свердловский проспект, 60А
Детальное описание
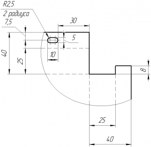
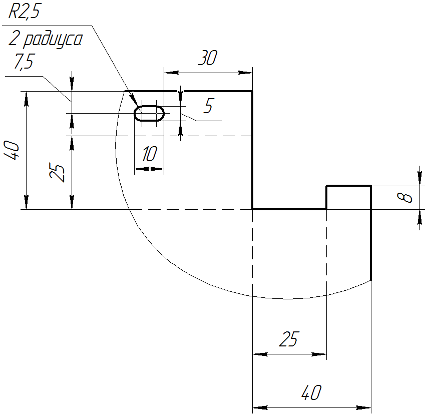
Всегда в наличии уговырубной пресс СПК-Фасад для фасадных металлокассет с открытым креплением LSK-100 (К-100). Чертеж во вложении. Станок одновременно вырубает фигурный угол и отверстие.
Для молодых предприятий с небольшими объемами производства.
Преимущества угловырубного станка СПК-Фасад 2тн с ножным приводом:
* Удобные упоры для точного позиционирования заготовки на рабочем столе станка;
* Педальный привод - полностью освобождает руки оператора для размещения заготовок на рабочей поверхности;
* При работе не устают руки.
Характеристики угловырубного станка с педальным приводом:
Толщина металла – 0,8мм.;
Усилие – 2тн.;
Масса пресса – 60 кг.
С этим и другим оборудованием и инструментом можно ознакомится у нас в выставочном зале.
Ждем Вас по адресу: Свердловский проспект, 60А (въезд с ул. Володарского)
Создано 15.05.2017 Изменено 03.08.2023

