Вакуумный циркуляционный испаритель Б/У - Продам в Обнинске
Детальное описание
Вакуумные циркуляционные испарители - это стеклянные аппараты, предназначенные для выпаривания разбавленных растворов в пищевой, химической и фармацевтической промышленности, например, при производстве фруктовых соков или биологических материалов. Их можно использовать в качестве дистилляционного аппарата для перегонки спиртов (одно-, двух- и трехвалентных), ацетона и других растворителей. Использование испарителей для других технологических применений следует обсудить с производителем.
Стандартные агрегаты выпускаются сериями производительности 5, 10, 25, 50 л/ч – количество воды, испаряемой при давлении в аппарате около 10 кПа и температуре кипения 45°C. Для различных сред и различных режимов работы производительность испарителей пропорционально варьируется.
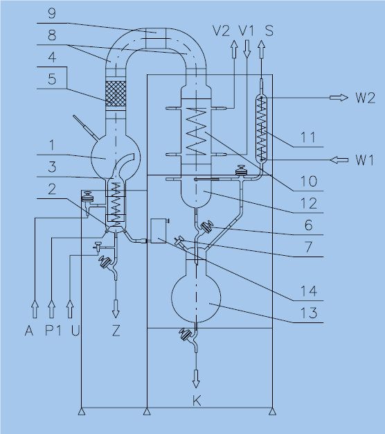
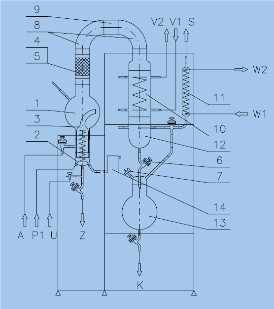
Испаритель состоит из кипящей и конденсирующей частей (патрубка) – см. рисунок. Работу начинают с открытия впускного клапана обрабатываемого раствора A. После того, как уровень достигнет верхнего края змеевика котла, впуск A закрывается и открывается впуск вакуума S. Одновременно путем постепенного открывания подается теплоноситель P1, открывается вход охлаждающей воды в охладитель V1 и доохладитель W1. V2 и W2 - это выходы (разрядки) охлаждающей воды. Обработанный раствор нагревается в кипящей колбе 1 змеевиком погружного котла 2 до температуры испарения и распыляется циркуляционным адаптером 3 на стенку кипящей колбы. Пары выводятся через фракционный цилиндр 4 с фильтром 5, который предотвращает попадание капель в конденсирующую часть. Охлажденный обработанный раствор стекает по стенкам колбы в нижнюю часть бойлера, повторно нагревается и циркулирует в кипящей колбе. Устойчивое кипение достигается за счет регулирования вакуума, подачи пара и притока обрабатываемого раствора (в случае непрерывной работы). Возможные удары предотвращаются за счет контролируемой аэрации через кран U из атмосферы.
Конденсат собирается в колбу, подключенную к вакууму. Если конденсат должен выпускаться через K, выход 6 из патрубка конденсации должен быть закрыт, а разрежение в колбе должно быть устранено с помощью аэрационного крана 7. Во время слива конденсат собирается в нижней части этого патрубка. В случае длительного отсоединения накопительной колбы необходимо остановить работу всего устройства, чтобы предотвратить опасность всасывания конденсата в вакуумную часть. Во время слива конденсата из кипящей колбы Z необходимо остановить работу испарителя, т.е. закрыть вход для пара P1, вход для разрежения S и проветрить аппарат с помощью крана 7.
Основные технические требования
– теплоноситель – обычно нагревательный пар (максимальное избыточное давление 0,15 МПа, температура до 125 °C),
– удаление конденсата, – подключение к коллекторному трубопроводу,
– охлаждающая вода (выход в свободное пространство),
– подача вакуума,
– подача обработанного раствора,
– отвод концентрированного раствора,
– отвод дистиллят.
При проектировании помещения для строительства и обслуживания испарителя необходимо учитывать условия безопасности труда в зависимости от характера обрабатываемых материалов (опасность пожара, взрыва, промышленных вредных веществ и т.д.). При таком характере процесса предполагается, что устройство установлено таким образом, чтобы соблюдались все меры безопасности при работе во взрывоопасной среде (в случае, если в процессе используются растворители, опасные с точки зрения возгорания).
Вакуумные циркуляционные испарители поставляются в стандартном исполнении, включая вспомогательную конструкцию.
Размер: 2200 х 900 х 3700
| Состав испарителя: |
| 1 колба для кипячения |
| 2 погружной котел |
| 3 циркуляционный адаптер |
| 4 дробильный цилиндр |
| 5 начинка (кольца Рашига) |
| 6 клапан |
| 7 аэрационный кран |
| 8 изгиб |
| 9 цилиндр |
| 10 spiral cooler спиральный охладитель |
| 11 aftercooler дополнительный охладитель |
| 12 vacuum receiver вакуумный приемник |
| 13 collecting flask колба для сбора |
| 14 continuous discharge of condensate непрерывный отвод конденсата |
Создано 03.11.2023 Изменено 08.08.2024



