Лини по производству пеллет на базе ОГМ 1,5 Б/У - Продам в Костроме
Детальное описание
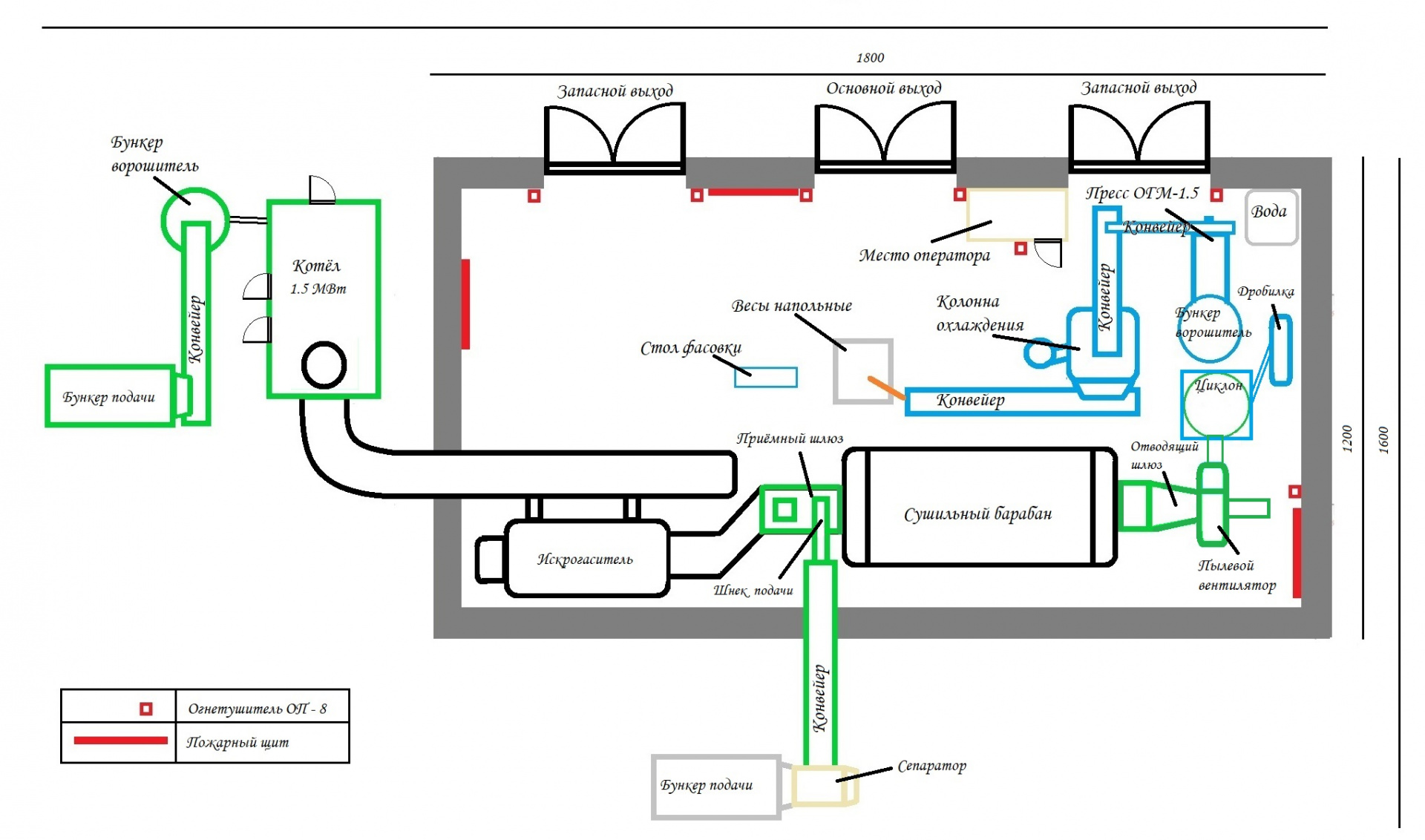
I. Сушильный комплекс:
1) Tеплoгенеpaтоp ТГ 1500 (1,5 МBт);
2) Шнeк пoдaчи тoпливa;
3) Бункер-воpoшитель (1,5 куб. м);
4) Транcпoртёр цепной скрeбкoвый (7 м);
5) Бункер пoдачи топливa МВУ-6 (6 куб. м);
6) Системa иcкрогaшения и золоотделeния;
7) Баpабaн cушильный СБ 1500;
8) Шнек подачи сыpья;
9) Тpанспортёр цепной cкpебкoвый (7,5 м);
10) Сепаратор опила;
11) Бункер подачи сырья (5 куб. м);
12) Вентилятор дымосос (22 кВт);
13) Циклон-осадитель ЦОЛ-9;
14) Щит автоматического управления ТГ 1500;
15) Щит автоматического управления Сушильного барабана;
II. Дробилка КУ-203
III. Линия гранулирования:
1)Бункер-ворошитель (1,5 куб. м);
2) Дозатор;
3) Смеситель;
4) ОГМ-1,5;
5) Транспортёр ленточный (2 м);
6)Транспортёр ленточный (6 м);
7) Охладитель гранул противоточный (колонна охлаждения);
8) Вентилятор пылевой;
9) Транспортёр ленточный (6,5 м);
10) Щит автоматического управления колонной охлаждения;
11) Щит управления ОГМ-1,5;
12) Щит управления транспортёрами ленточными;
13) Ёмкость подачи воды с подогревом (1 куб. м);
14) Весы напольные для ВIGВАG;
1) Новый гранулятор и сепаратор.
2) Новые кабели.
3) Мощность главного привода 90кВт
4) Остальное прошло полный капитальный ремонт.
5) Наработка 5 тонн.
6) Причина продажи - смена направления деятельности.
ЦЕНА ОБСУЖДАЕМА!
ВОЗМОЖЕН ОБМЕН НА АВТО!
Создано 29.12.2023 Изменено 31.12.2023
