Гайка с накаткой ГОСТ 14726-69 - Продам в Таганроге
Производитель
Россия Цена
500
Нет в наличии / под заказ
Таганрог (Россия)
Состояние: Новый
Контакты
Детальное описание
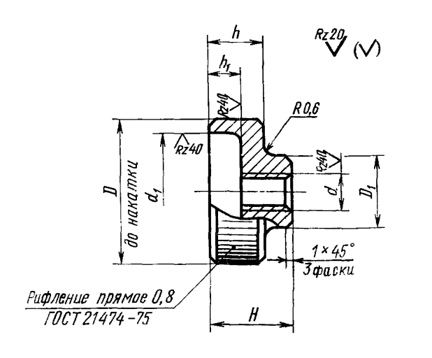
Имеем возможность изготовления гайки с накаткой, предназначенной для станочных приспособлений. Производится данное изделие с диаметром резьбы М5-М12 мм. Материал-сталь марки 45, покрытие хим.окс.прм. Гайка с накаткой применяется в условиях высоких механических нагрузок и обеспечивает надежное соединение деталей. При наличии у вас потребности в данной гайке можете направить запрос на любую электронную почту или оставить заявку на сайте.
Создано 24.01.2025 Изменено 24.01.2025
Похожие объявления
Гайка с буртиком гост 8918-69, 15073-75, 12462-67, 14546-69, 14547-69, 14545-69, 15731-70
Состояние: Новый Производитель: Россия
Тамбов (Россия)
Гайка ГОСТ 13957-74, ГОСТ 13958-74, гайка накидная стальная ГОСТ 16046-70
Состояние: Новый Производитель: Регионгаздеталь (Россия)
В наличии
Воронеж (Россия)
Гайка круглая шлицевая класс точности А ГОСТ 11871-88,ГОСТ 8530-90
Состояние: Новый Производитель: Россия
В наличии
Таганрог (Россия)
