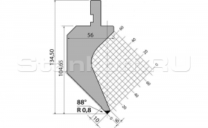
Пуансон PS.135-88-R08/F
Детальное описание
Пуансон гусевидного типа. Предназначен преимущественно для гибки деталей с большими и средними полками из различных вариантов толщин листового металла. Изготовлен из качественной конструкционной стали C45 (560 - 710 Н/мм2). Рабочие поверхности закалены методом индукционной закалки до HRC 54 - 60 (1980 - 2200 Н/мм2). Все рабочие, крепёжные и стыковочные поверхности пуансона шлифованы.
Область применения
Данным пуансоном возможна гибка листового металла на угол от 88° до 180°. Необходимый угол гибки может быть задан конкретной величиной вертикального перемещения траверсы листогиба, углом пуансона, закреплённого на ней, углом матрицы, а также углом пружинения конкретного материала, который подвергается гибке. Пуансон с большой величиной радиуса при вершине предназначен для гибки средних и больших толщин листового металла, пуансон с маленькой величиной радиуса при вершине предназначен для гибки маленьких толщин листового металла.
Пуансон является гибочным инструментом. Устанавливается на листогибочный пресс и предназначен для гибки листового металла под заданным углом. Пуансон применяется в паре с матрицей. Обрабатываемый лист металла помещается между матрицей и пуансоном. Пуансон оказывает непосредственное давление на обрабатываемый лист металла сверху, вдавливая его в матрицу. Тем самым, обрабатываемый лист металла сгибается по всей своей длине на заданный угол, повторяя (в некоторых случаях приблизительно) форму и угол пуансона и матрицы.
Конструктивные особенности
Для установки (стыковки) на листогибочном прессе нескольких пуансонов и чёткого выставления их на одном уровне крайне желательно использование переходников. Пуансоны закрепляются на траверсе листогиба, выставляются по линии гиба, а их вылет корректируется с помощью перемещения клиньев переходников. После этой корректировки пуансоны закрепляются многочисленными зажимными винтами вдоль боковых сторон.
Для быстрой установки и снятия пуансонов и матриц с листогибочного пресса используются специальные системы быстросменных креплений. Возможно изготовление на заказ нестандартного гибочного инструмента любой длины и типоразмера - специальных матриц, пуансонов, подложек и т.п.
| Технические характеристики пуансона PS.135-88-R08/F |
|
| Длина пуансона, мм | 805 (100+100+50+40+20+15+10+370+100) |
| H, мм | 104,65 |
| A, мм | 134,5 |
| R, мм | 0,8 |
| Максимальное усилие, т/м | 45 |
| Вес, кг | 23 |
Похожие товары
Станкофф.RU
420127, Россия, Татарстан, Казань, ул. Фатыха Амирхана, 42а
+7 (800) 5555770



