Инструкция к применению - Усилители для фотодиодов на операционных ...


1006

Описание

Добавлено: 17.02.2012 в 12:37
Продолжительность: 02:20

Все подразделения продаж компании «Чип и Дип» обслуживает единый распределительный центр - современный автоматизированный складской комплекс площадью 3000 кв.м. с обработкой до 40 000 наименований товара и отгрузкой в течение одних суток, а передовая система управления предприятием MBS AXAPTA, позволяет нам с высоким качеством обрабатывать большой поток заказов

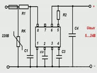
Существует несколько способов подключения фотодиода к усилителю, с целью достижения его максимального быстродействия и усиления полезного сигнала. Один из вариантов -- подключение к быстродействующему операционному усилителю по схеме преобразователя ток -- напряжение. Для измерения напряжения необходимо минимальное значение тока, протекающего через вход схемы. В этой схеме фотодиод подключен последовательно с входом операционного усилителя. Цепь обратной связи -- R1R2 задает усиление напряжения на фотодиоде. Отношение выходного напряжения к входной световой энергии будет логарифмическим, т.е. чувствительность фотодиода зависит от приложенного к нему прямого напряжения. Постоянная чувствительность при постоянном приложенном напряжении делает вывод, что для получения зависимости выходного сигнала от световой энергии необходимо использовать измерение тока. Схема преобразователя тока в напряжение обеспечивает входное сопротивление, равное резистору R1 деленное на коэффициент усиление операционного усилителя с разомкнутой петлей обратной связи. Хотя сопротивление R1 очень велико, входное сопротивление остается малым по сравнению с выходным сопротивлением фотодиода. Ток диода почти не течет через вход усилителя, целиком проходя в резистор обратной связи R1. Для получения этого эффекта операционный усилитель устанавливает на своем входе напряжение, равное произведению тока фотодиода на сопротивление R1. Для получения большего коэффициента преобразования, сопротивление R1 делают ...


Комментарии 0

Оставить комментарий

Интересные статьи партнеров

Похожее видео