Как это работает - Отладочная плата MSP430-HG2231


645 +1

Описание

Добавлено: 15.02.2012 в 23:25
Продолжительность: 01:42

Техническую поддержку продаваемого товара, гарантийное и после гарантийное обслуживание осуществляет собственный сервис-центр.
Опытные специалисты и передовое оборудование позволяют нам качественно и оперативно решать проблемы, возникающие у наших клиентов

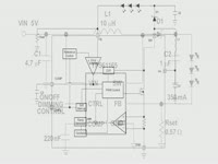
Недорогая и малогабаритная оценочная плата MSP430-HG2231 компании Olimex обеспечивает легкость и простоту в разработке и моделировании устройств на базе микроконтроллера Texas Instruments MSP430FG2231. Микроконтроллеры MSP430 - это 16-разрядные микроконтроллеры RISC-архитектуры, с развитой периферией и сверхнизким энергопотреблением. Применяя микроконтроллеры MSP430, разработчики получают мощный инструмент для работы с аналоговыми и цифровыми сигналами при сверхнизком потреблении энергии батареи. Энергии литиевой батареи достаточно для питания прибора в течение 5 лет.Отличительные особенности отладочной платы MSP430-HG2231:• установленный микроконтроллер MSP430FG2231: 2 кБ Flash, 256 Б RAM; • установленный разъем JTAG; • джамперы выбора питания (с платы и с JTAG интерфейса); • часовой кварцевый осциллятор 32768 Гц; • стабилизатор напряжения +3,3 В; • сглаживающий конденсаторная в цепи питания; • цепи RST/ NMI подтянуты к питанию; • все выводы МК доступны на разъемах; • размер платы 27х20 мм.На сайте производителя доступны демонстрационные коды для быстрого освоения работы с микроконтроллером.


Комментарии 0

Оставить комментарий

Интересные статьи партнеров

Похожее видео