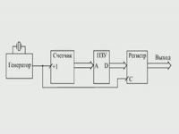
Редукторы шаблон генератора функция тур


209

Описание

Granpa
Rasl Андреев
Добавлено: 15.11.2012 в 19:56
Продолжительность: 14:13

woodgears.ca проходных особенностей моей снасти шаблон генератор программы

Каналы

Комментарии 0

Оставить комментарий

Интересные статьи партнеров

Похожее видео