Узел защиты источника питания от перегрузки по ... - Электронные компоненты


292

Описание

Добавлено: 22.05.2013 в 22:21
Продолжительность: 01:31

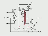
При самостоятельном конструировании источника питания для мощных устройств рекомендуется добавить узел эффективной защиты от перегрузки. Простая схема устройства построена с применением тиристора в качестве управляющего элемента защиты по напряжению. Коротко о работе схемы. Пока напряжение питания на входе находится в пределах нормы, стабилитрон и тиристор закрыты, ток протекает в нагрузку. При превышении напряжения питания свыше 15,2В, открывается стабилитрон, и вслед за ним тиристор, так как между его катодом и управляющим электродом присутствует разность потенциалов, достаточная для его отпирания. Подключенный параллельно выходу источника питания тиристор VS1 при перегрузке обрывает плавкий предохранитель в течение нескольких микросекунд, если выходное напряжение окажется свыше допустимого. Порог открывания тиристора, а именно, срабатывания защиты, зависит от технических данных стабилитрона. При перегорании предохранителя включится пьезоизлучатель звука со встроенным генератором, который просигнализирует о внешней неисправности, который, так же, индицирует о возможном коротком замыкании в нагрузке. Сигнализатор будет звучать до тех пор, пока не будет отключено общее питание или устройство нагрузки.


Комментарии 0

Оставить комментарий

Интересные статьи партнеров

Похожее видео