Тройники разрезные ТР, тройники разрезные муфтовые ТРМ ТУ 1469 - 002-01297858-05 - Продам в Нижнем Новгороде
Трубопроводные системы и механизмы, ПК, ООО
Россия, Нижегородская (Горьковская), Нижний Новгород, ул. Янки Купалы, д. 38, оф.125
Детальное описание
"Трубопроводные системы и механизмы", ООО, производственная компания,
являющаяся одним из крупнейших производителей НЕСТАНДАРТНЫХ соединительных деталей трубопроводов,
в том числе соединительных деталей трубопроводов ВЫСОКОГО давления,
предлагает продукцию своего производства.
Изготавливаем нестандартные детали трубопроводов; высокого давления
Ру до 100МПа ГОСТ 22790-89, ГОСТ Р55599-2013
в т.ч. по чертежам заказчика, а также
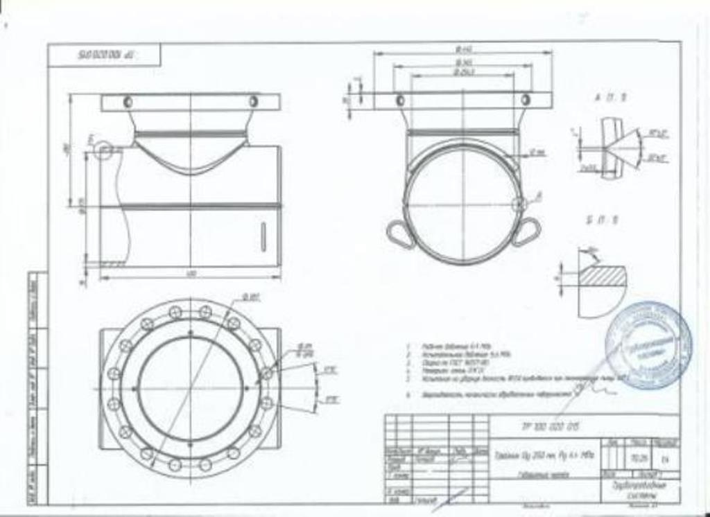
Тройники разрезные ТР , тройники разрезные муфтовые ТРМ в комплекте с фланцем, пробкой DN до 1220 для оборудования STOPPLE, «T. D. Williamson Inc».
ТУ 1469 - 002-01297858-05, РД-91.200.00-КТН-119-07, СТО Газпром 2-2.3-116-07.
Люк-лаз ЛЛ ТУ 3683-585-05754941-07, ТУ 1469-009-01395041-2012,
ТУ 1469-019-00153229-2012, в т.ч. с поворотным устройством, решеткой.
Тройники точеные высокого давления
ГОСТ 22801-83 ГОСТ 22805-83 ГОСТ 22822-83 ОСТ 26-01-30-82
ОСТ 26-01-29-82 ОСТ 95.53-98; ОСТ 108-720-05-82;
ОСТ 108-720-01-82; ОСТ 92-3913-76; ОСТ 34-42-673-84; ОСТ 34-10-432-90
СТО ЦКТИ 720.10-2009; СТО 79814898 120-2009; СТО 79814898 121-2009
Угольники точеные высокого давления ГОСТ 22820-83 ГОСТ 22799-83 ГОСТ 22800-83 ГОСТ 22810-83 и пр. ,
ОСТ 26-01-26-82 ОСТ 95.53-98; ОСТ 92-3912-76
Переходы и переходники точеные высокого давления
ГОСТ 22826-83 ГОСТ 22806-83 ОСТ 26-01-33-82 ОСТ 95-53-98
ОСТ 34-10-423-90 ОСТ 108-318-18-82 ОСТ 92-3915-76; СТО 79814898 116-2009
Отводы, колена высокого давления
ГОСТ 22793-83, ГОСТ 22818-83, ОСТ 26-01-22-82
Отводы линзовые ГОСТ 22808-83 ГОСТ 22809-83 ,
Колена с фланцами ГОСТ 22794-83, ГОСТ 22795-83
Колена неравноплечие с фланцами ГОСТ 22796-83,
Отводы гнутые с фланцами ГОСТ 22817-83,
Линзы ГОСТ 10493-81, ОСТ 26-01-42-82
Линза глухая с указателем ГОСТ 22791-83 и пр.
Ст.20, Ст. 09Г2С , 13ХФА, 14ХГС, 15ХМ, 12Х1МФ, 12Х18Н10Т, 03Х17Н14М3,
AISI 316L и пр.
Штуцер ГОСТ 22792-83 ОСТ 26-01-35-82 ОСТ 108-462-02-82 ОСТ 108-462-08-82 ОСТ 108-462-09-82
Карманы под термоэлектрические термометры и термометры сопротивления
ГОСТ 22812-83 ОСТ 26-01-36-82
Отводы ОГ ТУ 3647-095-00148139-00 Ру до 50МПа;
Тройники сварные ТС и сварные с накладками ТСН толстостенные
ТУ 3647-095-00148139-00, ТУ 1469-002-14946399-06,
ТУ 102-488-05 ОСТ 34-10-762-97, СТО СРО П 60542948 00024 -2013 и пр.
Отводы секторно-сварные ОСС и
Переходы вальцованные сварные
ТУ 1469-002-14946399-06,
ТУ 102-488-05, ТУ 51-29-81, ОСТ 34-10-752-97, в т.ч. нестандартные, толстостенные и пр.
Фланцы ГОСТ 9399-81 ГОСТ 33259-2015 ОСТ 26-01-37-82 ОСТ 26-01-38-82
Заглушки ГОСТ 22815-83 ОСТ 26-01-39-82 ОСТ 26-01-40-82
Катушки трубные под линзовое уплотнение на Ру до 100 МПа ГОСТ 9400-81.
Соединения ОСТ 92-3898-76, ОСТ 92-8958-76, ОСТ 95.500-92
Бурт внутренний фланцевых соединений ОСТ 92-8963-78
Бурт внешний фланцевых соединений ОСТ 92-8959-78
Фланец накидной фланцевых соединений ОСТ 92-8965-78
Гайки накидные ОСТ 92-3905-76 ст.10Х11Н23Т3МР, 12Х18Н10Т,
Ниппель глухой ОСТ 92-3910-76 ,
Штуцер приварной ОСТ 92-3901-76
Вся продукция соответствует требованиям государственных отраслевых стандартов, Техническому регламенту ТС 032/2013 «О безопасности оборудования, работающего под избыточным давлением».
Прилагаем паспорта предприятия, заключения испытаний.
- нам доверяет РОСКОСМОС
Создано 05.02.2020 Изменено 26.04.2025

