Муфтовые и разрезные тройники для врезки и ремонта на действующих нефтепроводах ТУ 1469 - 002-01297858-05 - Продам в Нижнем Новгороде
Трубопроводные системы и механизмы, ПК, ООО
Россия, Нижегородская (Горьковская), Нижний Новгород, ул. Янки Купалы, д. 38, оф.125
Детальное описание
Настоящие технические условия распространяются на муфтовые и разрезные тройники предназначенные для установки на действующих магистральных нефтепроводах ( НГДО п.1 и п.2 по Перечню Ростехнадзора от 12 января 2004 года) Ду 530х1220мм с номинальной толщиной стенки до 16мм с рабочим давлением до 6,4 МПа (64 кГс/см2) с целью:
· врезки при создании обводных линий (лупингов) вокруг неисправной запорной арматуры (горизонтальная ориентация патрубка);
· врезки при создании ответвлений (горизонтальная ориентация патрубка);
· для врезки вантузов;
· для ликвидации ненормативных, не соответствующих требованиям
ОАО «АК «Транснефть», следующих конструкций или оборудования: вантузов, сигнализаторов пропуска средств очистки и диагностики, отборов давления, «чопиков», несанкционированных врезок (вертикальная или горизонтальная ориентация патрубка).
Настоящие технические условия распространяются на муфтовые и разрезные тройники с диаметрами патрубков ответвлений Ду 150 х 700мм. Климатическое исполнение УХЛ по ГОСТ 15150.
Установка тройников на эксплуатирующихся магистральных нефтепроводах осуществляется при давлении не более 2,5 МПа (25 кГс/см2).
Настоящие ТУ предусматривают выпуск тройников двух типов:
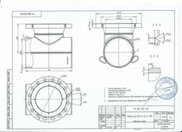
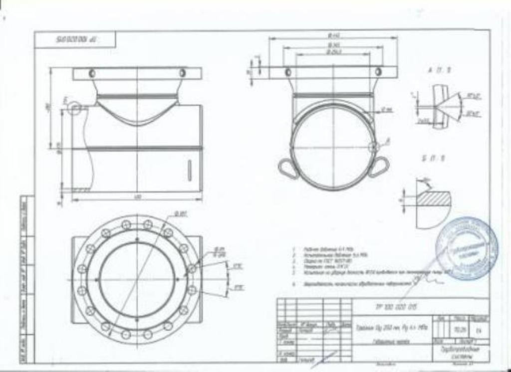
· муфтовый тройник, комплектуемый одной простой полумуфтой (полуобечайкой), одной полумуфтой (полуобечайкой) с отверстием, одним патрубком ответвления. Две полумуфты в состыкованном состоянии охватывают трубу в месте врезки или ремонта, свариваются между собой двумя продольными стыковыми швами, а по торцам привариваются к основной трубе двумя кольцевыми угловыми швами. Патрубок ответвления приваривается к основной трубе и к полумуфте с отверстием единым сварным швом. В случае использования в качестве ремонтной конструкции патрубок снабжается эллиптическим днищем и, при необходимости, удлинительным кольцом;
· разрезной тройник, комплектуемый одной простой полумуфтой (полуобечайкой) и одной полумуфтой (полуобечайкой) с отверстием и приваренным патрубком ответвления. Обе полумуфты в состыкованном состоянии охватывают основную трубу, свариваются между собой двумя продольными стыковыми швами и по торцам привариваются к основной трубе двумя кольцевыми угловыми швами. В случае использования в качестве ремонтной конструкции патрубок снабжается эллиптическим днищем и, при необходимости, удлинительным кольцом.
Пример условного обозначения при заказе:
- Муфтовый тройник для врезки (комплект 1, п. 1.6.1) в трубу из группы сталей класса прочности до К52 включительно (группа 1) с наружным диаметром 1020мм, с патрубком ответвления диаметром 530мм: ТМ(1) -1-1020 х 530 - УХЛ - ТУ-1469-002-01297858-05.
- Разрезной тройник для ремонта (комплект 2, п. 1.6.2) труб из группы сталей класса прочности свыше К52 до К60 включительно (группа 2) с наружным диаметром 1020мм, с патрубком ответвления диаметром 530мм, с удлинительным кольцом длиной 300мм: ТР(2) -2-1020 х 530 - 300 -УХЛ - ТУ-1469-002-01297858-05.
Линза глухая с указателем ГОСТ 22791-83
Штуцера ГОСТ 22792-83
Отводы гнутые ГОСТ 22793-83
Колена с фланцами ГОСТ 22794-83
Колена с фланцами и опорой ГОСТ 22795-83
Колена неравноплечие с фланцами ГОСТ 22796-83
Опоры для колен ГОСТ 22797-83
Колена двойные с фланцами ГОСТ 22798-83
Угольники с фланцами ГОСТ 22799-83
Угольники с ответвлениями и фланцами ГОСТ 22800-83
Тройники переходные и проходные с фланцами ГОСТ 22801-83
Тройники проходные с ответвлениями и фланцами ГОСТ 22802-83
Тройники переходные несимметричные с фланцами ГОСТ 22803-83
Тройники переходные с фланцами ГОСТ 22804-83
Тройники-вставки с фланцами ГОСТ 22805-83
Переходы с фланцами ГОСТ 22806-83
Диафрагмы измерительные линзовые с фланцами ГОСТ 22807-83
Отводы линзовые с фланцами ГОСТ 22808-83
Линзы с двумя отводами и фланцами ГОСТ 22809-83
Угольники с карманами под термометры ГОСТ 22810-83
Отводы под термометры ГОСТ 22811-83
Карманы под термометры ГОСТ 22812-83
Фланцы переходные ГОСТ 22813-83
Фланцы переходные со вставками ГОСТ 22814-83
Заглушки фланцевые ГОСТ 22815-83
Заглушки фланцевые со вставками ГОСТ 22816-83
Отводы гнутые с фланцами ГОСТ 22817-83
Колена ГОСТ 22818-83
Колена двойные ГОСТ 22819-83
Угольники ГОСТ 22820-83
Угольники с ответвлениями ГОСТ 22821-83
Тройники переходные ГОСТ 22822-83
Тройники проходные с ответвлениями ГОСТ 22823-83
Тройники переходные несимметричные ГОСТ 22824-83
Тройники-вставки ГОСТ 22825-83
Переходы ГОСТ 22826-83
Фланцы ГОСТ 9399-81
Фланцы ГОСТ 33259-2015
Отводы гнутые ТУ 3647-095-00148139-2000
Тройники переходные и проходные ТУ 3647-095-00148139-2000
Тройники разрезные ТР ТУ 1469 - 002-01297858-2005
Люк-лаз ЛЛ ТУ 3683-585-05754941-2007
Люк-лаз ЛЛ ТУ 1469-009-01395041-2012
Тройники ОСТ 26-01-29-82
Тройники ОСТ 95.53-98
Тройники ОСТ 108-720-05-82
Тройники ОСТ 108-720-01-82
Тройники ОСТ 92-3913-76
Тройники ОСТ 34-42-673-84
Тройники ОСТ 34-10-432-90
Тройники СТО ЦКТИ 720.10-2009
Тройники СТО 79814898120-2009
Тройники СТО 79814898121-2009
Угольники ОСТ 26-01-26-82
Угольники ОСТ 95.53-98
Угольники ОСТ 92-3912-76
Переходы ОСТ 26-01-33-82
Переходы ОСТ 95-53-98
Переходы ОСТ 34-10-423-90
Переходы ОСТ 108-318-18-82
Переходы ОСТ 92-3915-76
Переходы СТО 79814898 116-2009
Катушка резьбовая трубная ГОСТ 22790-89
Создано 05.02.2020 Изменено 26.04.2025

