Болт стыковой М22х115 ГОСТ 11530-93, ГОСТ 11530-2014 на складе - Продам в Владимире
Детальное описание
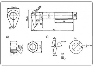
Болт стыковой М22х115 ГОСТ 11530-93, ГОСТ 11530-2014 – резьбовой крепеж железнодорожного назначения, применяемый для скрепления рельсов железнодорожного полотна между собой.
Скрепление производится с помощью специальной двухголовой накладки и гайки, которая идет в комплекте с данным типом болта. Болт стыковой ГОСТ 11530 подходит для рельсов Р38, Р43, Р50, Р65 и Р75. Возможность применения его для других типов рельсов уточняйте у специалистов нашей компании.
Конструктивно болт стыковой легко отличить от другого резьбового крепежа. Он имеет полусферическую головку, овальный подголовок и резьбовой стержень с частично нанесенной резьбой. Форма овального подголовка должна совпадать с формой отверстия в двухголовой накладке, что нужно учитывать при покупке стыкового болта.
Данный болт относится к классу высокопрочного крепежа. ГОСТом 11530 предусмотрен выпуск болтов стыковых классов прочности 8.8. и 10.9. Для достижения такого уровня прочности болт изготавливают из легированной стали 35 (для 8.8) и 40Х (для 10.9). По согласованию с заказчиком возможен выпуск данных болтов также из коррозионностойкой стали.
Реализуем весь спектр железнодорожного крепежа, который необходим для обустройства железных дорог.
Создано 18.03.2020 Изменено 22.04.2026

