Станок гидроабразивной резки HEAD1020BB - Продам
Детальное описание
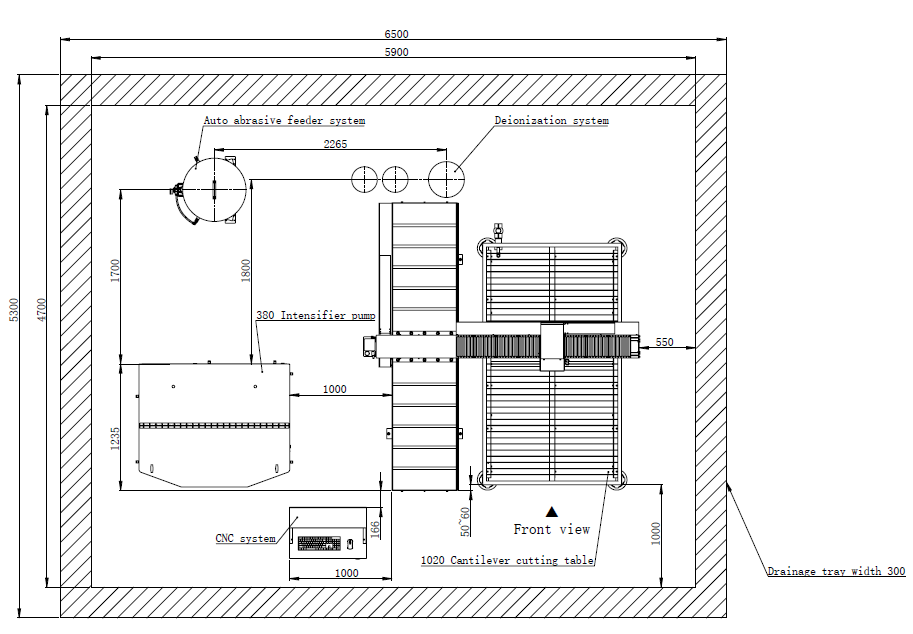
Станок гидроабразивной резки – промышленное оборудование, широко используется для раскроя листового материала. Резка осуществляется с помощью струи под очень большим давлением и высокой скоростью, в которой содержатся частицы абразива. Технология гидроабразивной резки представляет собой принцип эрозионного воздействия смеси высокоскоростной водяной струи и твердых абразивных частиц на материал.
При помощи гидроабразивной резки можно обрабатывать: черные и цветные материалы, природные и искусственные камни, керамические материалы, бетон и железобетон, стекло и композиционное стекло, пористые, прозрачные, мягкие материалы и т.д.
Область применения: металлургическая, камнеобработка, авиационная, автомобильная, космическая, стекольная.
Преимущества:
1. Станок имеет жесткую и надежную сварную станину, что дает высокое сопротивление против вибрации и сгибания
2. Высокое качество и точность резки
3. Отсутствие термического воздействия на обрабатываемый материал
4. Минимальные отходы разрезаемого материала
5. Высокая безопасность процесса (исключена возможность возгорания или плавления материала)
6. Отсутствие вредных испарений
7. Возможность резки чистой водой
Технические характеристики:
- Тип исполнения: Консольный
- Зона обработки: 1000*2000 мм
- Максимальная грузоподъёмность стола: 500 кг/м?
- Модель режущей головы: на выбор - Стандартная 3-х осевая голова/HD5X-AB/HD5X-AС
- Количество осей головы: 3/5
- Ширина линии: 1.0 - 1.2 мм
- Максимальное ускорение: 6000 - 10000 мм
- Система автоматической компенсации конусности: Да
- Точность позиционирования: ±0,05 мм
- Точность повторного позиционирования: ±0.03 мм
- Насос высокого давления: на выбор - HEAD 38030Z/HEAD 42037Z
- Система управления: OMRON
- Программное обеспечение: WEIHONG (NCstudio)
Осуществляем доставку по всей России.
У нас вы можете купить лазерные станки, фрезерные станки с ЧПУ, режущие плоттеры, а также комплектующие к ним по лучшей цене!
За консультацией обращайтесь к специалистам по телефону.
head waterjet water jet waterjet waterjet cutting waterjet станок waterjet станок гидроабразивной waterjet станок гидроабразивной резки waterjet станок купить абразив аппарат для пескоструйной обработки водорезка гидроабразив гидроабразив купить гидроабразив москва гидроабразив спб гидроабразив станок гидроабразив станок купить гидроабразив цена гидроабразивная резка гидроабразивная резка waterjet гидроабразивная резка водой гидроабразивная резка купить гидроабразивная резка металла гидроабразивная резка металла станок гидроабразивная резка оборудование гидроабразивная резка стекла купить станок гидроабразивной резки цена пескоструй пескоструй купить пескоструй москва пескоструй обработка пескоструй спб пескоструй цена пескоструйная обработка пескоструйная обработка деталей пескоструйная обработка купить пескоструйная обработка металла пескоструйная обработка металла цена пескоструйная резка пескоструйная резка металла пескоструйная резка стекла пескоструйный пескоструйный абразив пескоструйный абразив цена раскрой листового металла раскрой металла раскрой металла чпу резка waterjet резка гидроабразивом резка металла гидроабразивной резкой резка раскрой металла резка спб гидроабразив резка стекла гидроабразивом станок с гидроабразивной резкой станок гидроабразивной резки станок гидроабразивной резки с чпу чпу гидроабразивной резки
Создано 07.03.2023 Изменено 22.08.2023




