Погружной канализационный насос CNP 40WQ12-15-1.5ACW(I) - Продам в Перми
Россия, Пермский край, Пермь, ул. Максима Горького, д.34
Детальное описание
Погружной насос для отвода сточных вод CNP серии WQ удобен при монтаже и обслуживании. Равномерное перемешивание позволяет производить откачку сточных вод с меньшей нагрузкой на электронасос и большей эффективностью (не накапливается твердый осадок на дне колодца).
Усовершенствованный погружной насос CNP серии WQ для откачки сточных вод, с оптимизированной гидравлической частью, надежной конструкцией и системой защит.
Этот насос совмещает в себе высокую эффективность и работоспособность в самых неблагоприятных условиях. Оптимизированная гидравлика: двухканальное рабочее колесо, обеспечивающее высокую устойчивость против засорений, высокий гидравлический к.л.д. при больших подачах, стабильную работу без турбулентных завихрений.
Насосы серии WQ применяются для: Жилищно-коммунальное строительство, сельское хозяйство, промышленное строительство;
Отвод канализационных стоков, промышленных стоков, дренаж затопленных котлованов и болотистой местности;
Горная промышленность, шахты и т.д. Насосы подходят для перекачивания сред с температурой до +40ºС, водородным показателем (pH) от 4 до 10 и плотностью не более 1200 кг/м3. Массовая доля содержания твердых механических примесей не должна превышать 2%.
Максимальный диаметр твердых частиц не должен превышать значений свободного прохода частиц, указанного в технических характеристиках насосов.
Для перекачивания рабочих сред с большим содержанием волокнистых включений рекомендуется использовать насосы серии WQ-W с режущим рабочим колесом.
Тип сооружения: Жилые и административные здания, Промышленные сооружения
Назначение использования: Дренаж загрязненной воды, Канализация, септики, Отвод ливневых стоков
Тип насоса: Канализационный
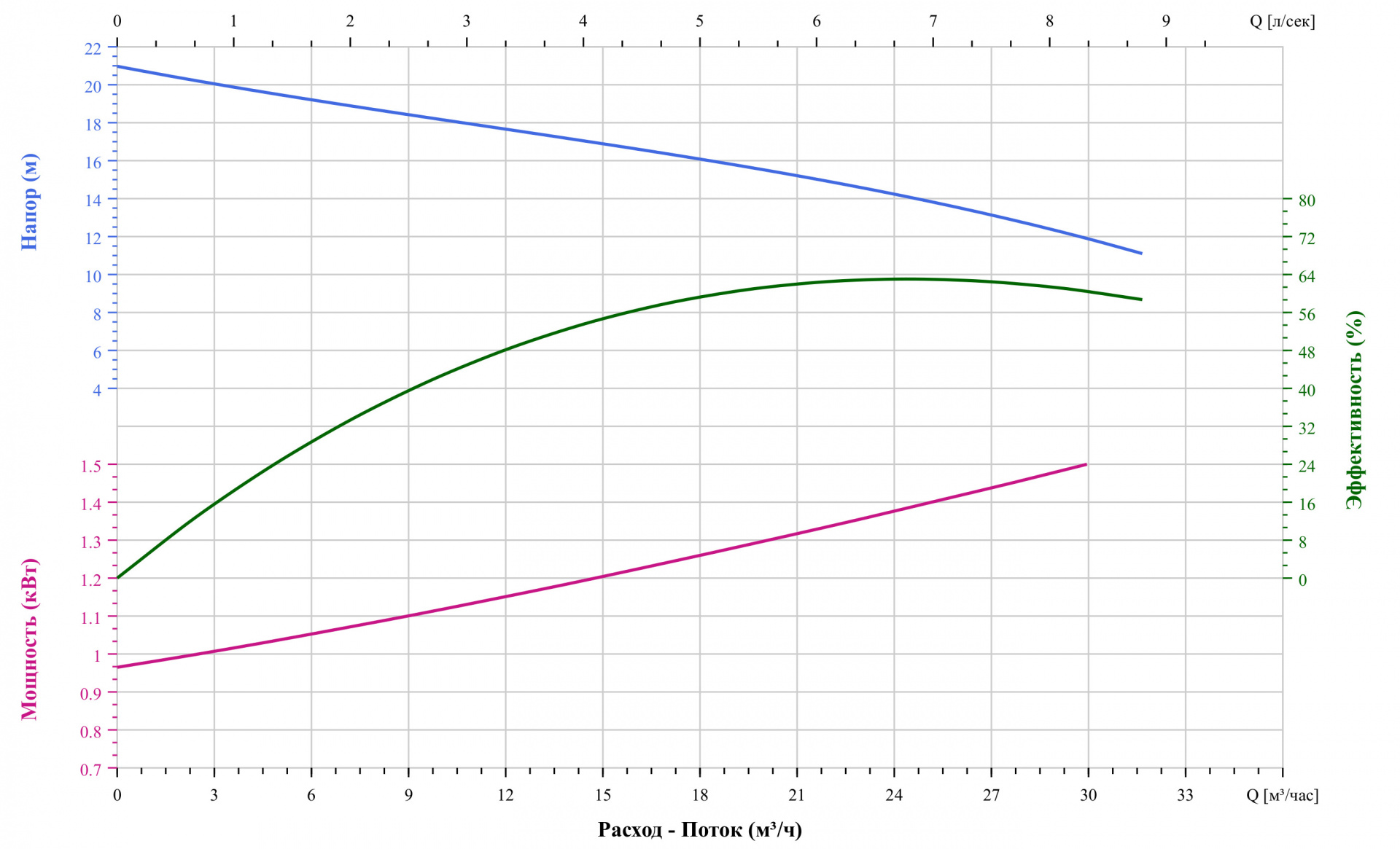
Максимальный расход: (м3/час): 19
Максимальный напор: (м): 16
Номинальная мощность: (кВт): 1,5
Размер присоединения: (мм): 40
Тип присоединения: Автоматическая трубная муфта
Материал корпуса: Чугун
Напряжение сети: (В/ГЦ): 3∼380/50
Вес (кг): 35
Температура окружающей среды, °С: не более 40°С
Номинальное рабочее давление (бар): 6
Класс изоляции: F
Степень защиты: IP 68
Температура жидкости (°C): <40
Создано 11.02.2024 Изменено 05.06.2024








