Канализационный насос CNP 65WQ30-25-5.5ACW(I) - Продам в Перми
Россия, Пермский край, Пермь, ул. Максима Горького, д.34
Детальное описание
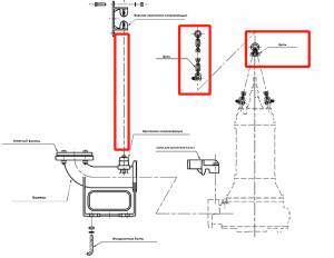
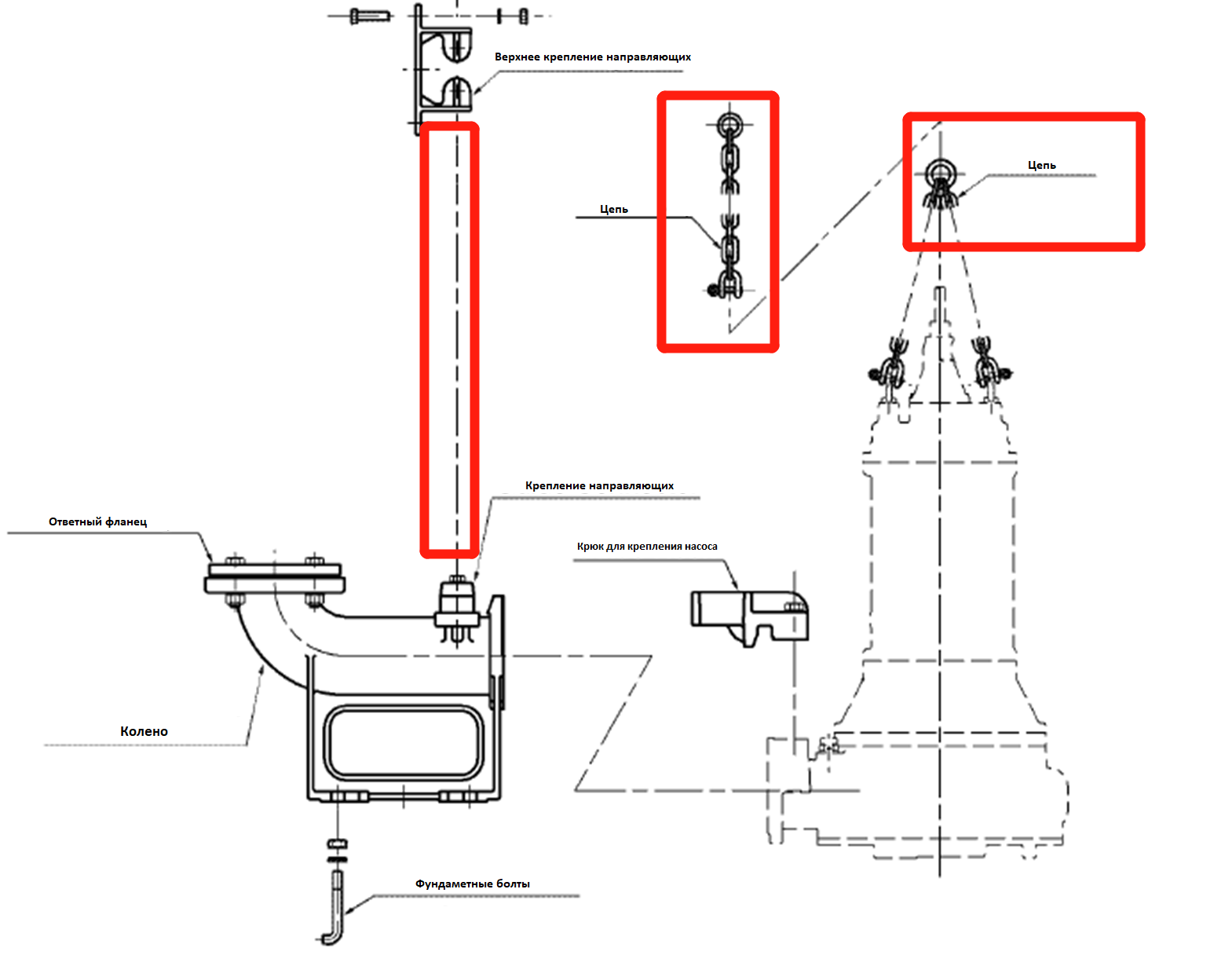
Погружной насос для отвода сточных вод CNP серии WQ-W 65WQ30-25-5.5W(I) c режущим механизмом удобен при монтаже и обслуживании. Равномерное перемешивание позволяет производить откачку сточных вод с меньшей нагрузкой на электронасос и большей эффективностью (не накапливается твердый осадок на дне колодца). Усовершенствованный погружной насос CNP серии WQ-W 65WQ30-25-5.5W(I) для откачки сточных вод, с оптимизированной гидравлической частью, надежной конструкцией и системой защит. Этот насос совмещает в себе высокую эффективность и работоспособность в самых неблагоприятных условиях. Оптимизированная гидравлика: двухканальное рабочее колесо, обеспечивающее высокую устойчивость против засорений, высокий гидравлический к.л.д. при больших подачах, стабильную работу без турбулентных завихрений.
Жилищно-коммунальное, сельское хозяйство, промышленное строительство, горная промышленность.
Отвод канализационных стоков, промышленных стоков, дренаж затопленных котлованов и болотистой местности.
Вес, кг: 87
Класс изоляции: F
Максимальная глубина погружения, м: 7
Максимальный диаметр прохода твердых тел, мм: 20
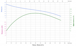
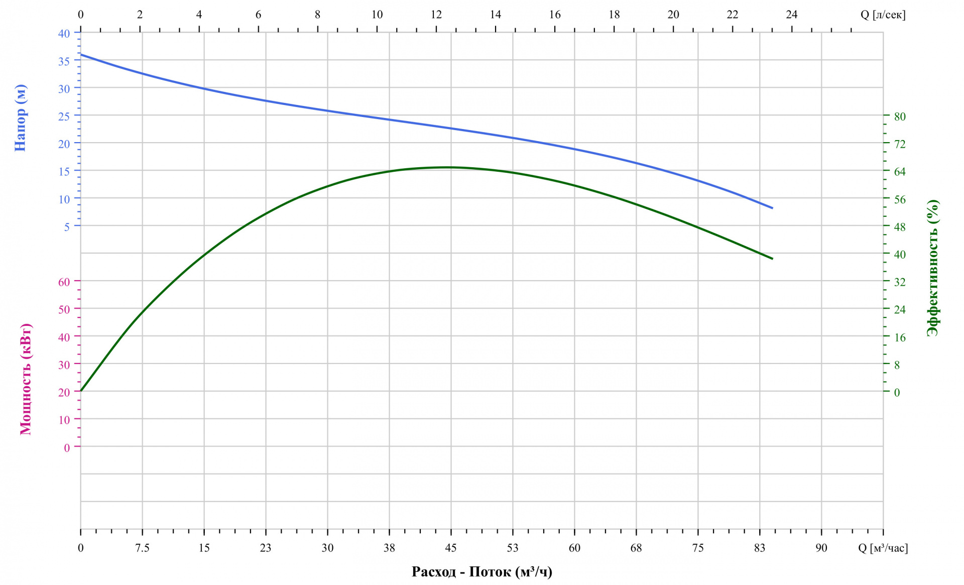
Максимальный напор, м: 25
Максимальный расход, м3/час: 30
Материал корпуса: Чугун
Минимальный уровень откачиваемой жидкости: на уровне половины корпуса двигателя
Напряжение сети, В/ГЦ: 3∼380-690/50
Номинальная мощность, кВт: 5,5
Размер присоединения, мм: 65
Температура жидкости, °С: не более 40°С
Тип насоса: Канализационный с режущим механизмом
Тип присоединения: Резьбовое трубное
Тип сооружения: Жилые и административные здания, Промышленные сооружения
Создано 11.02.2024 Изменено 05.06.2024






