Покажчик повороту УП-101-01 - Продам в Сумах
Цена договорная
В наличии
Сумы (Украина)
Состояние: Новый
Контакты
Детальное описание
Покажчик повороту УП-101-01. Виконує функцію покажчика повороту і сигнал наявність причепа.
Создано 13.02.2024 Изменено 28.05.2024
Похожие объявления
УП-01 фреза «Унипрофиль-1»
Состояние: Новый Производитель: Samson (Украина)
В наличии
Казань (Россия)
Фрезы фуговальные многоножевые для строгальных станков (01.13.XXX.X.XXX.XX)
Состояние: Новый Производитель: Иберус (Украина)
Казань (Россия)
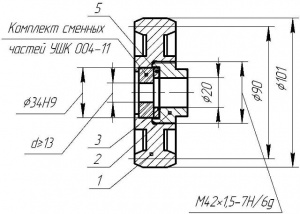
Устройство штуцерное УШК 004 (2ШУ-101-79-2)
Состояние: Новый Производитель: Россия
В наличии
Нижний Новгород (Россия)
