Устройство штуцерное УШК 004 (2ШУ-101-79-2) - Продам в Нижнем Новгороде



Устройство штуцерное УШК 004 (2ШУ-101-79-2) Устройство штуцерное УШК 004 (2ШУ-101-79-2)
Производитель
Россия
Цена договорная
В наличии
Нижний Новгород (Россия)
Состояние: Новый
Контакты
opkdro
Елена Александровна Мельцаева

Детальное описание

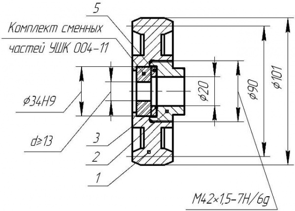
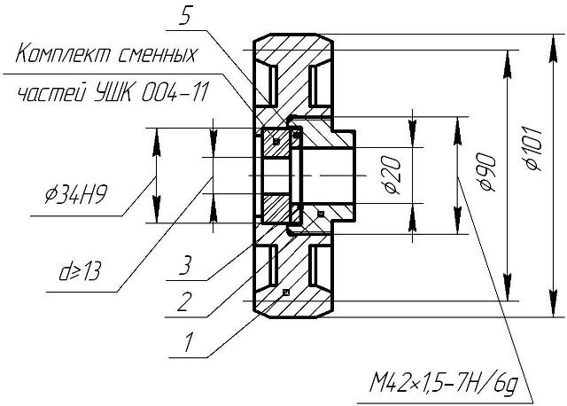
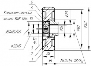
Устройство штуцерное УШК 004 (2ШУ-101-79-2) предназначено для регулирования объемов и давлений закачиваемой жидкости в нагнетательные скважины. Перекачиваемая жидкость – пресные или пластовые воды с плотностью до 1,2 г/см3.

Штуцерное устройство соответствует климатическому исполнению УХЛ категории 2 ГОСТ 15150 – 69 и предназначено для эксплуатации в интервале температур от + 40С до – 60С и предельном значении относительной влажности воздуха 100% при температуре 25С.

Штуцерное устройство устанавливается на трубопроводах между двумя фланцами по РД26-16-40-89 либо по ГОСТ 28919-91. Твёрдость материалов фланцев, находящихся в соединении со штуцером, должна быть выше твёрдости материала корпуса штуцера не более чем на 50 единиц по Бринелю.

Штуцерное устройство в зависимости от диаметра дросселя выпускается в двух исполнениях. Исполнение УШК 004 с комплектом сменных частей УШК 004-10 может иметь диаметр дросселя 1…12 мм. Исполнение УШК 004-01 с комплектом сменных частей УШК 004-10-01 имеет диаметр дросселя 13…20 мм.

 Исполнение УШК 004 штуцерного устройства состоит из корпуса 1, гайки 2, которая чрез кольцо 5 зажимает вставку 6 вместе с помещенным в ней дросселем из комплекта сменных частей УШК 004-10. Наружный посадочный диаметр дросселя равен 22мм, Для защиты керамического дросселя между кольцом 5 и гайкой 2 закладывается сетка 3, из нержавеющей стали 12Х18Н9Т.

Исполнение УШК 004-01 штуцерного устройства применяется с комплектом  сменных частей УШК 004-10-01.  Наружный посадочный диаметр дросселя в комплекте сменных частей УШК 004-10-01 равен 34мм, что позволяет использовать для исполнения УШК 004-01 корпус с гайкой из исполнения УШК 004 без вставки с установкой керамического дросселя непосредственно в корпус штуцерного устройства.

Создано 29.11.2017 Изменено 10.04.2026


Похожие объявления

Устройство штуцерное УШК 004 (2ШУ-101-79-2)
Состояние: Новый Производитель: Россия
В наличии
Нижний Новгород (Россия)
Штуцерное устройство с керамической вставкой 2ШУ-101-79-2 (УШК 004)
Состояние: Новый Производитель: Россия
В наличии
Нижний Новгород (Россия)
Устройство штуцерное УШК 006 со стальным закаленным дросселем
Состояние: Новый Производитель: Россия
В наличии
Нижний Новгород (Россия)
Вентиль манометрический ВПЭМ 5х35
Состояние: Новый Производитель: Россия
В наличии
Нижний Новгород (Россия)
Транспортная система для шахт и горно-добычи
Состояние: Новый Производитель: Carbomech (Польша)
В наличии
Katowice-Brynw (Польша)
24 250
Плита днища на ЭКГ-5 (1080.52.101-1)
Состояние: Новый Производитель: ООО "ЗСМ Авангард" (Россия)
Курган (Россия)
Якорь газовый ЯГ73.004
Состояние: Новый
В наличии
Нижний Новгород (Россия)
Звено гусеницы 3519.05.03.004 ЭКГ-8/10
Состояние: Новый Производитель: Россия
В наличии
Курган (Россия)

Закрыть
Добавить объявление