Штуцерное устройство с керамической вставкой 2ШУ-101-79-2 (УШК 004) - Продам в Нижнем Новгороде
Детальное описание
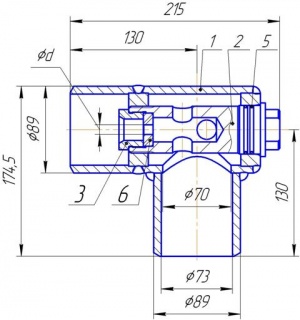
Штуцерное устройство с керамической вставкой 2ШУ-101-79-2 (УШК 004) предназначено для регулирования объемов и
давлений закачиваемой жидкости в нагнетательные скважины. Штуцерное устройство устанавливается на трубопроводах между двумя фланцами, изготовленными по РД 26-16-40-89 или ГОСТ 28919-91. Климатическое исполнение УХЛ категории 2 ГОСТ 15150 – 69, для эксплуатации в интервале температур от + 40 С до – 60 С и предельном значении относительной влажности воздуха 100% при температуре 25 С. Штуцерное устройство в зависимости от диаметра дросселя выпускается в
двух исполнениях.
Исполнение УШК 004 с комплектом сменных частей УШК 004-10 имеет диаметр дросселя 1…12 мм. Исполнение УШК 004 штуцерного устройства состоит из корпуса , гайки, которая чрез кольцо зажимает вставку вместе с помещенным в ней
дросселем из комплекта сменных частей УШК 004-10. Наружный посадочный диаметр дросселя равен 22мм. Для монтажа и демонтажа устройства используется ручка. Для защиты керамического дросселя между кольцом и гайкой закладывается сетка из нержавеющей стали 12Х18Н9Т.
Исполнение УШК 004-01 с комплектом сменных частей УШК 004-11 имеет диаметр дросселя 13…20 мм. Исполнение УШК 004-01 штуцерного устройства применяется с комплектом сменных частей УШК 004-11. Наружный посадочный диаметр дросселя в комплекте сменных частей УШК 004-11 равен 34мм. Это позволяет использовать для исполнения УШК 004-01 корпус с гайкой из исполнения УШК 004 с установкой керамического дросселя непосредственно в корпус штуцерного устройства.
Создано 16.07.2025 Изменено 10.04.2026
