Прокатные станы холодной прокатки листовые 2 видов ЛСТК профиля (С и U) + PIR панель профиля Б/У - Продам в Минске
Старая цена
Цена со скидкой
1 556 842
Минск (Беларусь)
Состояние: Б/У
Год изготовления: 2022
Контакты
Детальное описание
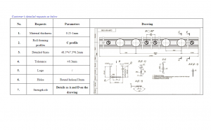
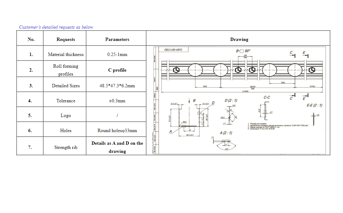
Прокатные станы холодной прокатки листовые 2 видов ЛСТК профиля (С и U) + PIR панель профиля.
Документы с характеристикой можно плучить файлом. на или электронную почту.
Создано 01.03.2024 Изменено 20.05.2024
Похожие объявления
стан холодный прокатки труб хпт 250-2 для производства бесшовные трубы 100-250 мм
Состояние: Б/У Год выпуска: 1974
Агаповка (Россия)
Прокатный стан для гофрирования листового металла и дополнительное оборудование
Состояние: Б/У Год выпуска: 2012 Производитель: Россия
Воронеж (Россия)
1 250 000
Рабочую линию стана холодной прокатки труб под ключ/ Диаметры мин. Ø65 mm - макс. Ø160 mm
Состояние: Б/У Год выпуска: 1986 Производитель: Bultmann (Германия)
Berlin (Германия)
Стан холодный прокатки труб SMS KPW 75 VMRK Пр 552
Состояние: Б/У Год выпуска: 2001 Производитель: SMS (Германия)
Langen (Германия)
трубопрокатный стан LD-8*2 для холодной прокатки бесшовных труб
Состояние: Новый Производитель: SHANGHAI AHSRADLI INTERNATIONAL TRADE CО.LTD (Китай)
Pudong (Китай)
80 000
Гибочно-прокатный стан
Состояние: Новый Производитель: ООО "Спецтехнология" (Россия)
Ульяновск (Россия)
стан холодной прокотки труб хпт 250-2 для производства бесшовных труб
Состояние: Б/У Год выпуска: 1980
Москва (Россия)













