Компрессор 2ВМ10-63/9 - Продам в Запорожье
Цена
100
В наличии
Запорожье (Украина)
Состояние: Новый
Контакты
ЧП «Современные технологии LTD»
Украина, Запорожская обл., Запорожье, пр-т Сталеваров
Детальное описание
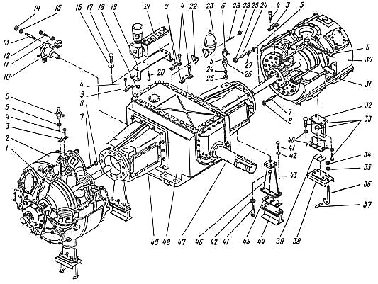
Компрессор 2ВМ10-63/9
| Номер позиции | Обозначение | Наименование | количество |
|---|---|---|---|
| 1 | 288-22 | Поршень первой ступени со штоком в сборе | 1 |
| 2 | 288-22 | Цилиндр 1 ступени в сборе | 1 |
| 3 | Н 146-6-1 | Скоба L=8 | 10 |
| 4 | Н 251-2-20 | Винт В.М6х10.58.05 | 26 |
| 5 | СТП 0503-46-76 | Прокладка 30/21х2 | 8 |
| 6 | Н 146-10 | Клапан обратный Dy4 Py70 | 6 |
| 7 | СТП 0584-138-80 | Шпилька М 24-8gx70.66.05 | 24 |
| 8 | СТП 0503-10-72 | Гайка М 14.6.05 | 24 |
| 9 | Н 146-6-1-02 | Скоба L=25 | 3 |
| 10 | 71-9Б | Механизм поворотный в сборе | 1 |
| 11 | - | Шайба 4.65Г 05 ГОСТ 6402-70 | 2 |
| 12 | 71-9Б-0-10 | Винт М4х45 | 2 |
| 13 | СТП 0584-138-80 | Шпилька М16-8gx45.66.05 | 4 |
| 14 | СТП 0503-10-72 | Гайка М16.6.05 | 4 |
| 15 | СТП 0503-23-72 | Шайба 16.02.05 | 4 |
| 16 | СТП 0503-23-72 | Шайба 12.02.05 | 4 |
| 17 | СТП 0503-5-72 | Болт М 12х30.66.05 | 4 |
| 18 | 67-9Б-0-5 | Прокладка | 4 |
| 19 | Н 483-0-1 | Кронштейн | 1 |
| 20 | СТП 0503-5-72 | Болт М 12х25.66.05 | 4 |
| 21 | Станция 41-08-0 ГОСТ 3564-84 | Станция смазочная многоотводная регулируемая | 1 |
| 22 | Н 267-1-0-6А | Прокладка | 1 |
| 23 | 236-1028010 | Маслоочиститель центробежный | 1 |
| 24 | Н 154А-1 | Ниппель 4х8 | 4 |
| 25 | Н 155-1 | Гайка М 20х1,5-8 | 4 |
| 26 | 71-1-0-3 | Штуцер | 2 |
| 27 | Н 148А-1 | Штуцер ввертной 4х8 | 2 |
| 28 | СТП 0584-138-80 | Шпилька М 10-8gx75.66.05 | 3 |
| 29 | СТП 0503-10-72 | Гайка М10.6.03 | 3 |
| 30 | 288-20 | Цилиндр диаметр 370 в сборе | 1 |
| 31 | 288-4А | Поршень второй ступени со штоком в сборе | 1 |
| 32 | Н 176-2-1 | Стойка | 2 |
| 33 | СТП 0503-5-72 | Болт М 16х40.66.05 | 20 |
| 34 | СТП 0503-10-72 | Гайка М 20.6.05 | 2 |
| 35 | СТП 0503-23-73 | Шайба 20.02.05 | 2 |
| 36 | Н 365А-6 | Болт фундаментный М 20х270 | 2 |
| 37 | Н 366-2 | Стержень диаметр 20х210 | 2 |
| 38 | Н 176-1-2 | Плита опорная | 2 |
| 39 | Н 176-1-0-2А | Прокладка | 10 |
| 40 | Н 176-1-0-4 | Шайба стопорная 17 | 16 |
| 41 | СТП 0503-5-72 | Болт М 12х40.66.05 | 16 |
| 42 | Н 206А-2-2 | Шайба 14 | 16 |
| 43 | Н 176-1-0-3 | Болт установочный М 16 | 4 |
| 44 | Н 260А-4 | Плита опорная | 2 |
| 45 | Н 260А-2-1 | прокладка | 20 |
| 46 | Н 260А-3 | Стойка | 2 |
| 47 | 70-1-0-1А | Вал коленчатый | 1 |
| 48 | Н 251-1 | Рама в сборе | 1 |
| 49 | Н 252-2 | Направляющая в сборе | 1 |
Создано 30.11.2017 Изменено 20.04.2026
Похожие объявления
Компрессор 2ВМ10-63/9 воздушный поршневой 9 атмосфер
Состояние: Новый Производитель: Собственное производство (Россия)
В наличии
Краснодар (Россия)
Направляющая, крейцкопф, шатун 2ВМ10-63/9, 4ВМ10-120/9
Состояние: Новый
В наличии
Запорожье (Украина)
Крейцкопф Н466-2 для компрессоров 2ВМ10-63/9, 4ВМ10-120/9
Состояние: Новый
В наличии
Запорожье (Украина)
