Рама с коленчатым валом компрессора 2ВМ10-63/9 - Продам в Запорожье
Цена договорная
В наличии
Запорожье (Украина)
Состояние: Новый
Контакты
ЧП «Современные технологии LTD»
Украина, Запорожская обл., Запорожье, пр-т Сталеваров
Детальное описание
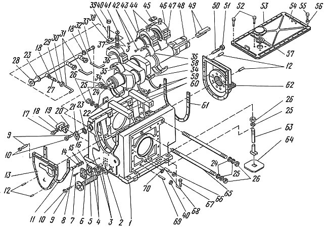
Рама с коленчатым валом компрессора 2ВМ10-63/9
| Номер позиции | Обозначение | Наименование | количество |
|---|---|---|---|
| 1 | Н 251-1-1 | Рама | 1 |
| 2 | СТП 0503-46-76 | Прокладка 68/39х2 | 1 |
| 3 | СТП 0503-47-76 | Прокладка 34/28х2 | 8 |
| 4 | СТП 0503-31-74 | Пробка 3/4 6g .66.05 | 2 |
| 5 | Н 263-2А | Фильтр заборный | 1 |
| 6 | Н 251-2-15 | Указатель уровня масла | 1 |
| 7 | СТП 0503-9-84 | Винт В.М6-8gx22.66.05 | 10 |
| 8 | СТП 0503-5-72 | Болт М12х35.66.02 | 1 |
| 9 | СТП 0584-138-80 | ШпилькаМ12-8gx35.66.05 | 18 |
| 10 | СТП 0503-10-72 | Гайка М12.6.05 | 18 |
| 11 | Н 250-2-13 | Прокладка | 1 |
| 12 | СТП 0503-26-73 | Штифт 10h 8х3 | 4 |
| 13 | Н 250-2-5 | Крышка | 1 |
| 14 | Шайба 12.65Г.029 ГОСТ 6402-70 | 1 | |
| 15 | СТП 0503-23-73 | Шайба 12.02.02 | 2 |
| 16 | Н 251-2-17 | прокладка | 1 |
| 17 | Н 251-2-10 | Штуцер ввертной Dy13 | 1 |
| 18 | СТП 0503-47-76 | Прокладка 34/21х2 | 5 |
| 19 | Н 251-2-9А | Фланец | 1 |
| 20 | Н 251-2-16А | Прокладка | 1 |
| 21 | Н 250-2-12 | Фланец | 1 |
| 22 | Н 250-2-20 | Шайба регулировочная | 2 |
| 23 | СТП 0503-46-76 | Прокладка 70/55х2 | 2 |
| 24 | Н 250-2-21 | Прокладка | 4 |
| 25 | СТП 0503-23-73 | Шайба 30.02.05 | 8 |
| 26 | СТП 0503-10-72 | Гайка М30.6.05 | 8 |
| 27 | Н 250-2-6А | Штуцер ввертной | 3 |
| 28 | Н 261-1 | Коллектор | 1 |
| 29 | Н 154А-4 | Нипель 13х17 | 3 |
| 30 | Н 155-4 | Гайка М30х1,5-17 | 3 |
| 31 | Н 250-2-10А | Труба | 2 |
| 32 | Н 250-2-10А-01 | Труба | 1 |
| 33 | СТП 0503-5-72 | Болт М20х80.66.05 | 1 |
| 34 | Н 251-2-2 | Вкладыш подшипника нижний | 2 |
| 35 | Н 251-2-3 | Вкладыш подшипника верхний | 2 |
| 36 | Н 251-2-7 | Крышка подшипника | 1 |
| 37 | Н 250-2-8 | Втулка | 3 |
| 38 | Н 251-2-19А | Шайба стопорная | 2 |
| 39 | Н 251-2-11 | Шпилька М 24х200 | 12 |
| 40 | СТП 0503-10-72 | Гайка М 24.6.05 | 38 |
| 41 | Н 250-2-7 | Штуцер | 3 |
| 42 | СТП 0503-6-84 | Винт В.М6-8gx14.66.05 | 4 |
| 43 | Н 251-2-8 | Крышка подшипника | 1 |
| 44 | Н 251-2-13 | Полукольцо верхнее | 2 |
| 45 | Н 251-2-19А-01 | Шайба стопорная | 4 |
| 46 | Н 251-2-6 | Крышка подшипника | 1 |
| 47 | Н 251-2-5 | Вкладыш подшипника верхний | 1 |
| 48 | 70-1-0-1А | Вал коленчатый | 1 |
| 49 | 70-1-0-2 | Шпонка тангенциальная | 4 |
| 50 | СТП 0584-138-80 | Шпилька М 16-8gx55.66.05 | 14 |
| 51 | СТП 0503-10-72 | Гайка М 16.6.05 | 14 |
| 52 | СТП 0503-5-72 | Болт М10х25.55.05 | 30 |
| 53 | Н 264-2 | Сапун | 1 |
| 54 | Н 255-1 | Крышка верхняя | 1 |
| 55 | СТП 0503-9-84 | Винт В.М 10-8gx25.66.05 | 2 |
| 56 | Y 250-2-23 | Чашка для пломбирования | 2 |
| 57 | Н 264-2-5 | Прокладка | 1 |
| 58 | Н 251-2-4 | Вкладыш подшипника нижний | 1 |
| 59 | Н 251-2-12 | Полукольцо нижнее | 2 |
| 60 | Н 250-2-2 | Распорка | 2 |
| 61 | Н 250-2-17 | Прокладка | 1 |
| 62 | Н 253-2 | Маслоотражатель | 1 |
| 63 | Н 250-1-5 | Болт фундаментный | 4 |
| 64 | Н 250-1-6 | Плита фундаментная | 4 |
| 65 | Н 250-2-3 | Стяжка М30 | 2 |
| 66 | СТП 0503-10-72 | Гайка М10,6,05 | 4 |
| 67 | Н 101-58-5 | Отжимной болт | 4 |
| 68 | Н 250-1-4 | Шифт конический10х40х70 | 4 |
| 69 | СТП 0584-138-80 | Шпилька М24-8gx70.66.05 | 26 |
| 70 | Кольцо 045-050-30-2-4 ГОСТ 9833-73 | 2 |
Создано 01.12.2017 Изменено 20.04.2026
Похожие объявления
Крейцкопф Н466-2 для компрессоров 2ВМ10-63/9, 4ВМ10-120/9
Состояние: Новый
В наличии
Запорожье (Украина)
Холодильник маслянный и агрегат смазки компрессора 2ВМ10-63/9
Состояние: Новый
В наличии
Запорожье (Украина)
Компрессор 2ВМ10-63/9 воздушный поршневой 9 атмосфер
Состояние: Новый Производитель: Собственное производство (Россия)
В наличии
Краснодар (Россия)
