Маслосниматель на компрессор 4М10-40/70 - Продам в Запорожье
Цена договорная
В наличии
Запорожье (Украина)
Состояние: Новый
Контакты
ЧП «Современные технологии LTD»
Украина, Запорожская обл., Запорожье, пр-т Сталеваров
Детальное описание
Маслосниматель на компрессор 4М10-40/70
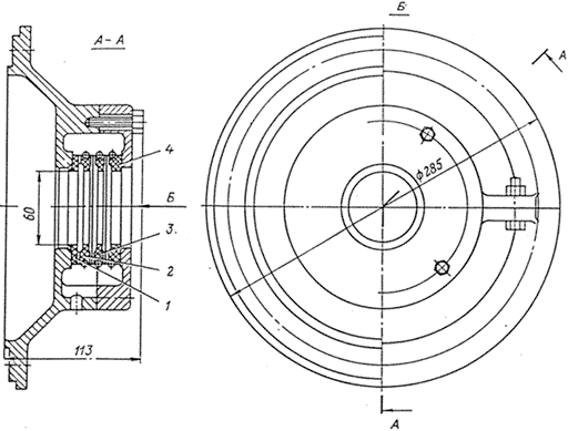
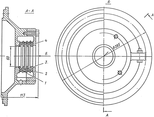
Чертеж маслоснимателя
| Пояснения к чертежу:
|
Запасные части маслоснимателя компрессора 4М10-40/70
| Обозначение | Наименование | Количество на одну сборочную единицу | Материал | Масса, кг |
| 1 | 2 | 3 | 4 | 5 |
| 89-1-6-3 | Кольцо отбойное | 1 | Фторопласт 4 марки 5 ТУМ 810-59 | 0,036 |
| 89-1-6-4 | Кольцо разрезное | 1 | Фторопласт 4 марки 6 ТУМ 810-59 | 0,032 |
| 89-1-6-5 | Кольцо разрезное | 1 | Фторопласт 4 марки 5 ТУМ 810-59 | 0,035 |
| 89-1-6-6 | Кольцо разрезное | 1 | Фторопласт 4 марки 5 ТУМ 810-59 | 0,038 |
Создано 04.12.2017 Изменено 20.04.2026
