Обзор - Преобразователь постоянного напряжения ...


1194

Описание

Добавлено: 15.02.2012 в 21:36
Продолжительность: 02:16

Техническую поддержку продаваемого товара, гарантийное и после гарантийное обслуживание осуществляет собственный сервис-центр.
Опытные специалисты и передовое оборудование позволяют нам качественно и оперативно решать проблемы, возникающие у наших клиентов

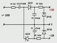
При конструировании различной электронной техники зачастую возникает необходимость применения источника питания с несколькими значениями выходного напряжения. К числу таких устройств относятся популярные преобразователи напряжения на переключающихся конденсаторах, которые вырабатывают несколько напряжений от одного источника. Пример одного их них -- микросхема ICL7660. Принцип работы микросхемы в режиме идеального инвертора. При замыкании ключей S1, S3 и размыкании S2, S4, первая половина цикла заряжает внешний конденсатор С1 от источника до напряжения питания. При замыкании ключей S2, S4 и размыкании S1, S3 во второй половине цикла заряд конденсатора С1 частично передается конденсатору C2, что обеспечивает отрицательное напряжение на выходе микросхемы. Напряжение питания микросхемы в диапазоне от 1.5 до 12В. Диапазон выходных напряжений от -- 1.5В до -- 12В. Выходной ток зависит от сопротивления в нагрузке. В качестве нагрузки в преобразователе напряжения ICL7660 можно использовать светодиод как индикатор напряжения, который можно применить в бытовой аппаратуре, питающейся напряжением 1.5В. Схема довольно простая. Кроме самой микросхемы, еще три конденсатора. Схема работает как удвоитель напряжения, имеющий на выходе отрицательное напряжение -3В. Внешний конденсатор С2, установленный на выводе управления частотой генератора служит для изменения времени накопления и распределения заряда. Конденсатор С1 в роли переключающегося источника энергии, конденсатора, С3 -- как ...


Комментарии 0

Оставить комментарий

Интересные статьи партнеров

Похожее видео