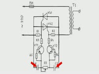
Rex2000TR1m Таймер на ДИН рейку @ реле таймер включения @ таймер включения и выключения


351

Описание

promelectrica
Безымянный
Добавлено: 18.02.2017 в 09:04
Продолжительность: 04:20

Электроника и электротехника на Prostanki.com


Комментарии 0

Оставить комментарий

Интересные статьи партнеров

Похожее видео