Штуцерная камера Н05.042 - Продам в Нижнем Новгороде



Штуцерная камера Н05.042 Штуцерная камера Н05.042
Производитель
Россия
Цена договорная
В наличии
Нижний Новгород (Россия)
Состояние: Новый
Контакты
opkdro
Елена Александровна Мельцаева

Детальное описание

Штуцерная камера Н05.042 устанавливается в фонтанной арматуре за линейной задвижкой.

Штуцерная камера Н05.042 предназначена для эксплуатации в климатических условиях УХЛ категории размещения 1 ГОСТ 15150-69. Рабочая среда нефть и вода. Рабочее давление 21 Мпа. Условный размер проходного отверстия дросселя Ø от 1до 20мм, шаг 1мм. Управление штуцерной камерой - ручная замена дросселя.

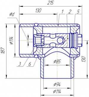
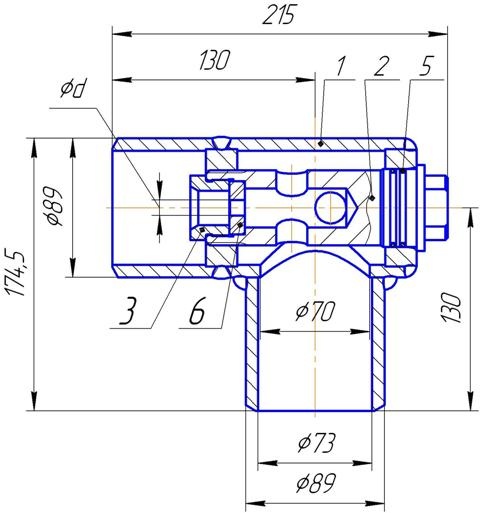
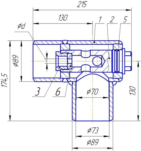
Штуцерная камера Н05.042А. Габаритные размеры 215х174,5х89 мм.  Масса, не более 8,0 кг.

Штуцерная камера Н05.042Б.  Габаритные размеры 215х187х114 мм.  Масса, не более 13,1 кг.

Штуцерная камера Н05.042 состоит из сварного корпуса 1, в который вворачивается вставка 2, подсобранная с дросселем 6 из комплекта дросселей при помощи гайки 3. Относительно корпуса вставка уплотняется двумя резиновыми кольцами 5 по ГОСТ9833-73. Дроссель 6 имеет калиброванное отверстие d, диаметр которого выбирается заказчиком. Герметизация корпуса 1 штуцерной камеры обеспечивается приваркой отводов камеры к трубной обвязке

�кцию дна нижнего корпуса 2 и препятствует попаданию тяжелых фракций из нижнего корпуса обратно в рабочую среду.

Создано 29.11.2017 Изменено 10.04.2026


Похожие объявления

Штуцерная камера Н.05.042.000.00 (Ф 114)
Состояние: Новый Производитель: Россия
В наличии
Нижний Новгород (Россия)
Штуцерная камера Ф 89(1436)
Состояние: Новый Производитель: Россия
В наличии
Нижний Новгород (Россия)
Штуцерная камера ШК100х14.000-01
Состояние: Новый Производитель: Россия
В наличии
Нижний Новгород (Россия)
Штуцерная камера ШК100х14
Состояние: Новый
В наличии
Нижний Новгород (Россия)
Вентиль манометрический ВПЭМ 5х35
Состояние: Новый Производитель: Россия
В наличии
Нижний Новгород (Россия)
Фильтрующий картридж MicroMax для порошковой камеры Nordson
Состояние: Новый Год выпуска: 2016 Производитель: БПРС (Россия)
В наличии
Санкт-Петербург (Россия)
8 500
Сушильная камера КСТ
Состояние: Новый Производитель: Элементарные машины (Беларусь)
В наличии
Минск (Беларусь)
Вакуумная камера пресс-сушки древесины «Энергия-Ставрополь» с газовым котлом
Состояние: Новый Год выпуска: 2016 Производитель: ООО Энергия Термо (Россия)
Ставрополь (Россия)
1 100 000

Закрыть
Добавить объявление