Головка шлифовальная для токарного станка ВГР-300TCG125
Реклама Рекомендуем предложения
Детальное описание
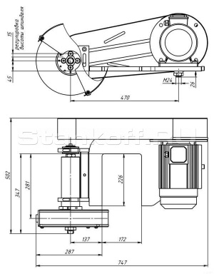
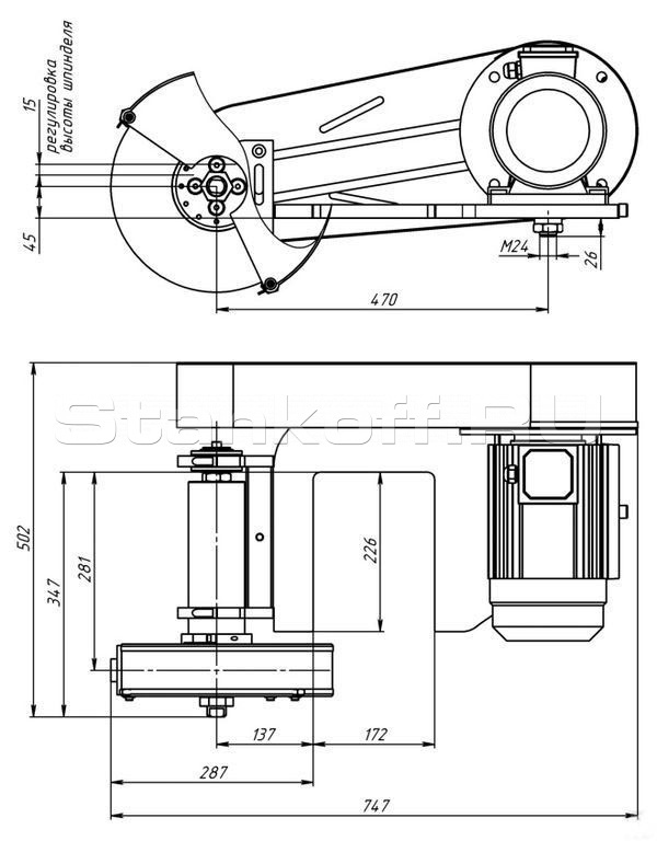
Выпускается специально для установки на два станка поочередно: 1М65 и POREBA. Она состоит из электродвигателя мощностью 3 кВт, подключаемого в электросеть токарного станка, станины, устанавливаемой на универсальном токарном станке вместо штатного резцедержателя, и скоростного шпинделя.
Особенности
- большая мощность и производительность;
- приводные валы на двойных радиально-упорных прецизионных подшипниках с высокой несущей способностью;
- высокая частота вращения у внутришлифовального шпинделя и низкая - у шпинделя для наружной шлифовки
- максимальный диаметр шлифовального круга для наружной шлифовки - 350 мм
- точность в пределах 0,01 – 0,02 мм (ограничена точностью базового токарного станка), биение круга после правки - 0,005-0,002
- высокая чистота поверхности.
| Технические характеристики головки шлифовальной для токарного станка ВГР-300TCG125 |
|
| Наружный шлифовальный шпиндель | |
| размер круга, мм | 350 x 32 x 76 |
| скорость холостого хода, об/мин | 3000 |
| Внутришлифовальный шпиндель | |
| диаметр шлифования, мм | 16 и более |
| размер круга, мм | 25 x 20 x 6 |
| скорость холостого хода при 50 Гц, об/мин | 14000 |
| глубина шлифования, мм | максимум 80 |
| Длина станины станка, мм | 1000 и более |
| Мощность, кВт | 3 |
| Масса брутто, кг | 100 |
Похожие товары
Каталог
Компания
Станкофф.RU
420127, Россия, Татарстан, Казань, ул. Фатыха Амирхана, 42а
+7 (800) 5555770
Социальные группы






